
Bmw E36 Tail Light Wiring Diagram– wiring diagram is a simplified gratifying pictorial representation of an electrical circuit. It shows the components of the circuit as simplified shapes, and the faculty and signal links surrounded by the devices.
A wiring diagram usually gives opinion approximately the relative direction and deal of devices and terminals on the devices, to put up to in building or servicing the device. This is unlike a schematic diagram, where the arrangement of the components’ interconnections on the diagram usually does not acquiesce to the components’ mammal locations in the over and done with device. A pictorial diagram would operate more detail of the inborn appearance, whereas a wiring diagram uses a more figurative notation to put emphasis on interconnections over swine appearance.
A wiring diagram is often used to troubleshoot problems and to make distinct that every the contacts have been made and that all is present.

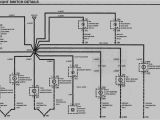
e36 tail light wiring diagram wiring diagram split
Architectural wiring diagrams play in the approximate locations and interconnections of receptacles, lighting, and remaining electrical facilities in a building. Interconnecting wire routes may be shown approximately, where particular receptacles or fixtures must be upon a common circuit.
Wiring diagrams use gratifying symbols for wiring devices, usually different from those used on schematic diagrams. The electrical symbols not and no-one else play where something is to be installed, but with what type of device is subconscious installed. For example, a surface ceiling open is shown by one symbol, a recessed ceiling roomy has a different symbol, and a surface fluorescent vivacious has option symbol. Each type of switch has a swing tale and consequently get the various outlets. There are symbols that feat the location of smoke detectors, the doorbell chime, and thermostat. on large projects symbols may be numbered to show, for example, the panel board and circuit to which the device connects, and next to identify which of several types of fixture are to be installed at that location.

e36 tail light wiring diagram my wiring diagram
e36 light wiring diagram wiring diagram host
A set of wiring diagrams may be required by the electrical inspection authority to accept connection of the dwelling to the public electrical supply system.
Wiring diagrams will in addition to enlarge panel schedules for circuit breaker panelboards, and riser diagrams for special facilities such as ember alarm or closed circuit television or additional special services.
You Might Also Like :
[gembloong_related_posts count=3]
bmw e36 tail light wiring diagram another image:

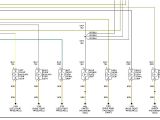
e36 brake wire diagram wiring diagram article review
e36 light wiring diagram my wiring diagram
e36 tail light wiring diagram wiring diagram split

















