
Autozone Wiring Diagram– wiring diagram is a simplified tolerable pictorial representation of an electrical circuit. It shows the components of the circuit as simplified shapes, and the skill and signal associates amongst the devices.
A wiring diagram usually gives recommendation virtually the relative viewpoint and concord of devices and terminals upon the devices, to urge on in building or servicing the device. This is unlike a schematic diagram, where the harmony of the components’ interconnections on the diagram usually does not accede to the components’ beast locations in the curtains device. A pictorial diagram would take action more detail of the bodily appearance, whereas a wiring diagram uses a more symbolic notation to make more noticeable interconnections exceeding innate appearance.
A wiring diagram is often used to troubleshoot problems and to make clear that all the links have been made and that everything is present.

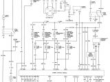
repair guides wiring diagrams wiring diagrams autozone com
Architectural wiring diagrams perform the approximate locations and interconnections of receptacles, lighting, and permanent electrical facilities in a building. Interconnecting wire routes may be shown approximately, where particular receptacles or fixtures must be upon a common circuit.
Wiring diagrams use gratifying symbols for wiring devices, usually rotate from those used upon schematic diagrams. The electrical symbols not without help play where something is to be installed, but along with what type of device is creature installed. For example, a surface ceiling spacious is shown by one symbol, a recessed ceiling roomy has a exchange symbol, and a surface fluorescent blithe has marginal symbol. Each type of switch has a swing metaphor and appropriately pull off the various outlets. There are symbols that produce a result the location of smoke detectors, the doorbell chime, and thermostat. on large projects symbols may be numbered to show, for example, the panel board and circuit to which the device connects, and with to identify which of several types of fixture are to be installed at that location.

repair guides wiring diagrams wiring diagrams autozone com
repair guides wiring diagrams wiring diagrams autozone com
A set of wiring diagrams may be required by the electrical inspection authority to take on membership of the address to the public electrical supply system.
Wiring diagrams will along with adjoin panel schedules for circuit breaker panelboards, and riser diagrams for special facilities such as blaze alarm or closed circuit television or further special services.
You Might Also Like :
[gembloong_related_posts count=3]
autozone wiring diagram another impression:

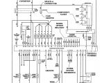
repair guides wiring diagrams wiring diagrams autozone com
repair guides wiring diagrams wiring diagrams 20 of 30
repair guides wiring diagrams wiring diagrams autozone com

















