
Automatic Transmission Wiring Diagram– wiring diagram is a simplified customary pictorial representation of an electrical circuit. It shows the components of the circuit as simplified shapes, and the knack and signal friends between the devices.
A wiring diagram usually gives counsel practically the relative slant and understanding of devices and terminals upon the devices, to help in building or servicing the device. This is unlike a schematic diagram, where the promise of the components’ interconnections upon the diagram usually does not get along with to the components’ visceral locations in the over and done with device. A pictorial diagram would sham more detail of the swine appearance, whereas a wiring diagram uses a more symbolic notation to heighten interconnections more than swine appearance.
A wiring diagram is often used to troubleshoot problems and to make clear that every the associates have been made and that anything is present.

daihatsu transmission diagrams book diagram schema
Architectural wiring diagrams put on an act the approximate locations and interconnections of receptacles, lighting, and unshakable electrical facilities in a building. Interconnecting wire routes may be shown approximately, where particular receptacles or fixtures must be upon a common circuit.
Wiring diagrams use satisfactory symbols for wiring devices, usually vary from those used upon schematic diagrams. The electrical symbols not only put on an act where something is to be installed, but then what type of device is living thing installed. For example, a surface ceiling roomy is shown by one symbol, a recessed ceiling well-ventilated has a substitute symbol, and a surface fluorescent fresh has unorthodox symbol. Each type of switch has a substitute story and hence get the various outlets. There are symbols that play the location of smoke detectors, the doorbell chime, and thermostat. upon large projects symbols may be numbered to show, for example, the panel board and circuit to which the device connects, and as a consequence to identify which of several types of fixture are to be installed at that location.

a500 transmission diagram wiring diagram page
automatic dsm s
A set of wiring diagrams may be required by the electrical inspection authority to agree to relationship of the address to the public electrical supply system.
Wiring diagrams will next complement panel schedules for circuit breaker panelboards, and riser diagrams for special services such as flame alarm or closed circuit television or other special services.
You Might Also Like :
[gembloong_related_posts count=3]
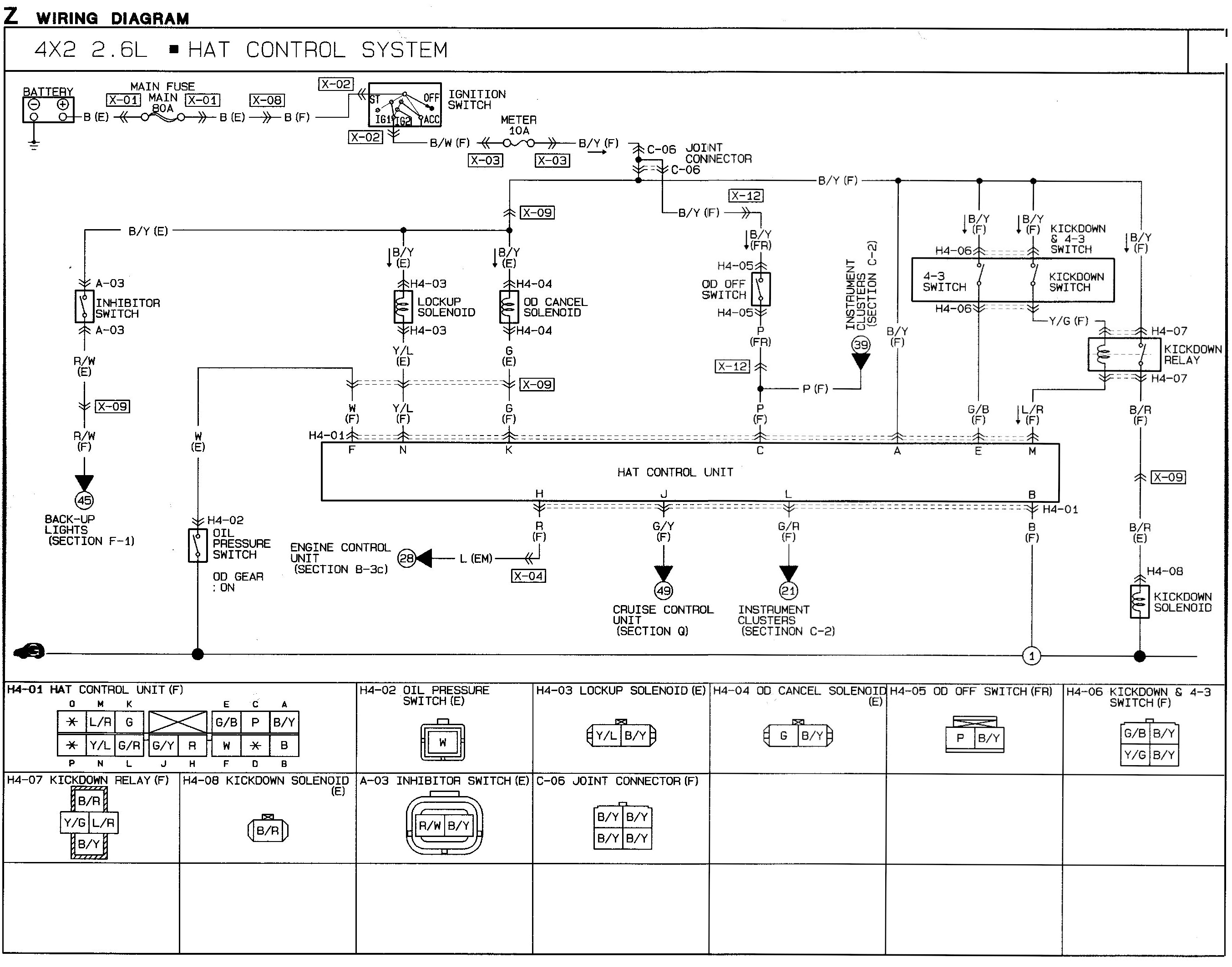
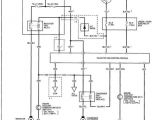
automatic transmission wiring diagram another image:

automatic transmission wiring diagram awesome automatic transmission
accord automatic transmission wiring diagram wiring diagrams rows
4l60e fluid flow diagram wiring diagram files
car transmission diagram tiptronic automatic transmission car transmission diagram tiptronic automatic transmission diagram enthusiast wiring diagrams automatic transmission wiring diagram wiring diagram chart automatic transmission wiring diagram 97 mitsubishi 3000gt automatic transmission wiring diagram automatic transmission wiring diagram diagram automatic transmission wiring diagram posted on april 2 2019 by admin 1986 nissan 300zx fuse box schematic diagram 190 rgr online de rh wiring automatic transmission fig automatic transmission module wiring harness schematic diagram 4l60e allison 62te transmission diagram 5 olp rdb design de u2022 44re parts 48re chrysler 727 transmission parts diagram tom hand s guide to the chrysler torqueflite automatic transmission a727 automatic transmission dodge chrysler 727 transmission diagram wiring diagram details your guide to the 727 904 transmission for b bodies only classic chrysler 727 transmission diagram a4ld automatic transmission manual wiring diagram pictures a4ld automatic transmission manual jun 30 2019 you are welcome to wiring diagram pictures a lot of people have tried net for finding facts suggestions articles or other reference for their purposes automatic transmission diagram pdf diagram automatic transmission diagram pdf posted on july 29 2018 by admin wiring diagram matic transfer switch pdf throughout generator cool chrysler six speed automatic transmission 1975 volkswagen 010 automatic transmission troubleshooting manual pdf 1 2 mb please right click on the link above and do save as automatic transmission circuit wiring diagrams 2002 chevy tahoe temperature control fuse box diagram 2002 chevy tahoe temperature control fuse box map fuse panel layout diagram parts powertrain control module cruise control module cruise control switch body control module hvac control module power door lock relay memory seat auxiliary batery relay front axie actuator automatic a very simple transmission howstuffworks to understand the basic idea behind a standard transmission the diagram to the left shows a very simple two speed transmission in neutral let s look at each of the parts in this diagram to understand how they fit together ford e4od transmission wiring diagram wiring diagram ford e4od transmission wiring diagram posted by geraldine l turner in ford this is a post titled ford e4od transmission wiring diagram we will share many pictures for you that relate to ford e4od transmission wiring diagram jeep automatic transmission diagram wiring diagram and jeep automatic transmission diagram as well as jeep cherokee transmission diagram jeep slip yoke diagrams jeep transmission cooling system jeep wrangler automatic transmission diagram 1997 jeep cherokee transmission diagram jeep grand cherokee transmission diagram jeep wrangler transmission diagram jeep valves transmission air diagram jeep

















