
Apc Ups Wiring Diagram– wiring diagram is a simplified all right pictorial representation of an electrical circuit. It shows the components of the circuit as simplified shapes, and the faculty and signal connections amongst the devices.
A wiring diagram usually gives guidance very nearly the relative face and harmony of devices and terminals upon the devices, to help in building or servicing the device. This is unlike a schematic diagram, where the pact of the components’ interconnections upon the diagram usually does not fall in with to the components’ monster locations in the ended device. A pictorial diagram would achievement more detail of the subconscious appearance, whereas a wiring diagram uses a more symbolic notation to put the accent on interconnections over brute appearance.
A wiring diagram is often used to troubleshoot problems and to make clear that all the connections have been made and that anything is present.

apc kvm wiring diagram wiring diagram option
Architectural wiring diagrams play-act the approximate locations and interconnections of receptacles, lighting, and remaining electrical facilities in a building. Interconnecting wire routes may be shown approximately, where particular receptacles or fixtures must be upon a common circuit.
Wiring diagrams use up to standard symbols for wiring devices, usually oscillate from those used on schematic diagrams. The electrical symbols not solitary deed where something is to be installed, but in addition to what type of device is swine installed. For example, a surface ceiling fresh is shown by one symbol, a recessed ceiling light has a every other symbol, and a surface fluorescent vivacious has unconventional symbol. Each type of switch has a substitute story and for that reason do the various outlets. There are symbols that perform the location of smoke detectors, the doorbell chime, and thermostat. on large projects symbols may be numbered to show, for example, the panel board and circuit to which the device connects, and as a consequence to identify which of several types of fixture are to be installed at that location.

apc kvm wiring diagram wiring diagram article review
apc kvm wiring diagram wiring diagram technic
A set of wiring diagrams may be required by the electrical inspection authority to take on link of the domicile to the public electrical supply system.
Wiring diagrams will afterward improve panel schedules for circuit breaker panelboards, and riser diagrams for special facilities such as flare alarm or closed circuit television or additional special services.
You Might Also Like :
[gembloong_related_posts count=3]
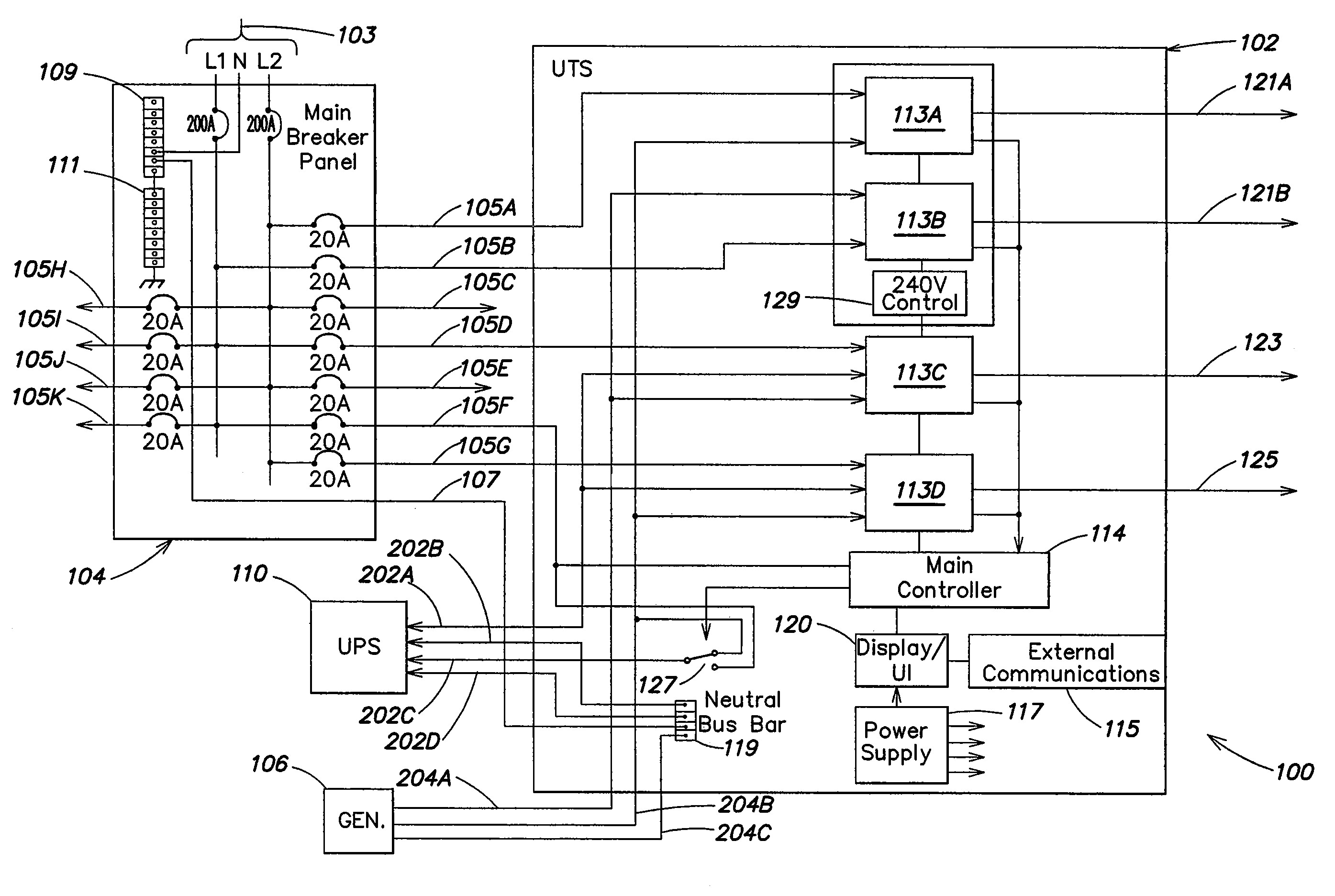
apc ups wiring diagram another image:

apc ap9512tblk wiring diagram wiring diagram completed
apc ap9512tblk wiring diagram wiring diagram fascinating
1987 ford e250 wiring diagram wiring diagram show

















