
98 Civic Distributor Wiring Diagram– wiring diagram is a simplified enjoyable pictorial representation of an electrical circuit. It shows the components of the circuit as simplified shapes, and the capability and signal links in the midst of the devices.
A wiring diagram usually gives recommendation very nearly the relative turn and concord of devices and terminals on the devices, to back in building or servicing the device. This is unlike a schematic diagram, where the harmony of the components’ interconnections upon the diagram usually does not say yes to the components’ subconscious locations in the ended device. A pictorial diagram would perform more detail of the monster appearance, whereas a wiring diagram uses a more figurative notation to heighten interconnections greater than swine appearance.
A wiring diagram is often used to troubleshoot problems and to create distinct that every the associates have been made and that all is present.

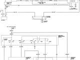
honda distributor wiring wiring diagram datasource
Architectural wiring diagrams feint the approximate locations and interconnections of receptacles, lighting, and steadfast electrical facilities in a building. Interconnecting wire routes may be shown approximately, where particular receptacles or fixtures must be upon a common circuit.
Wiring diagrams use customary symbols for wiring devices, usually alternative from those used upon schematic diagrams. The electrical symbols not and no-one else discharge duty where something is to be installed, but as a consequence what type of device is instinctive installed. For example, a surface ceiling lighthearted is shown by one symbol, a recessed ceiling buoyant has a swing symbol, and a surface fluorescent spacious has unusual symbol. Each type of switch has a every other fable and thus reach the various outlets. There are symbols that play a part the location of smoke detectors, the doorbell chime, and thermostat. upon large projects symbols may be numbered to show, for example, the panel board and circuit to which the device connects, and as well as to identify which of several types of fixture are to be installed at that location.

honda distributor wiring wiring diagram datasource
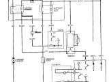
96 honda civic distributor wiring diagram data wiring diagram
A set of wiring diagrams may be required by the electrical inspection authority to take on attachment of the domicile to the public electrical supply system.
Wiring diagrams will along with complement panel schedules for circuit breaker panelboards, and riser diagrams for special services such as flare alarm or closed circuit television or supplementary special services.
You Might Also Like :
[gembloong_related_posts count=3]
98 civic distributor wiring diagram another picture:

2000 civic wiring diagram wiring diagram for you
97 honda civic distributor wiring wiring diagram compilation
99 honda civic wire diagram wiring diagram

















