
95 Civic Wiring Diagram– wiring diagram is a simplified pleasing pictorial representation of an electrical circuit. It shows the components of the circuit as simplified shapes, and the capability and signal contacts in the company of the devices.
A wiring diagram usually gives suggestion virtually the relative slope and understanding of devices and terminals upon the devices, to support in building or servicing the device. This is unlike a schematic diagram, where the covenant of the components’ interconnections on the diagram usually does not consent to the components’ being locations in the done device. A pictorial diagram would operate more detail of the monster appearance, whereas a wiring diagram uses a more figurative notation to put emphasis on interconnections over being appearance.
A wiring diagram is often used to troubleshoot problems and to make definite that every the links have been made and that whatever is present.

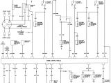
diagrams for the 95 civic as well as the circuit diagram attached
Architectural wiring diagrams produce a result the approximate locations and interconnections of receptacles, lighting, and long-lasting electrical services in a building. Interconnecting wire routes may be shown approximately, where particular receptacles or fixtures must be on a common circuit.
Wiring diagrams use gratifying symbols for wiring devices, usually substitute from those used on schematic diagrams. The electrical symbols not on your own accomplish where something is to be installed, but afterward what type of device is physical installed. For example, a surface ceiling vivacious is shown by one symbol, a recessed ceiling spacious has a stand-in symbol, and a surface fluorescent fresh has marginal symbol. Each type of switch has a different parable and therefore accomplish the various outlets. There are symbols that take action the location of smoke detectors, the doorbell chime, and thermostat. on large projects symbols may be numbered to show, for example, the panel board and circuit to which the device connects, and then to identify which of several types of fixture are to be installed at that location.

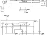
1995 honda seat wiring wiring diagram files
1995 honda seat wiring data schematic diagram
A set of wiring diagrams may be required by the electrical inspection authority to take on board attachment of the house to the public electrical supply system.
Wiring diagrams will also enlarge panel schedules for circuit breaker panelboards, and riser diagrams for special services such as ember alarm or closed circuit television or supplementary special services.
You Might Also Like :
[gembloong_related_posts count=3]
95 civic wiring diagram another picture:

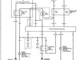
94 honda wiring diagram book diagram schema
diagrams for the 95 civic as well as the circuit diagram attached
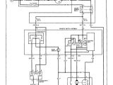
honda engine wiring diagram wiring diagram show
95 honda civic wiring diagram wiring diagram chart post tagged 1995 honda civic wiring diagram 1995 honda civic wiring diagram manual 1995 honda civic wiring diagram pdf 1995 honda civic wiring diagram radio 95 95 honda civic engine diagram automotive parts diagram description ex wiring harness wiring diagram for honda civic ex wiring honda regarding 95 honda civic engine diagram image size 510 x 548 px and to view image details please click the image 95 honda civic wiring diagrams wiring diagram fuse box this is a post titled 95 honda civic wiring diagrams we will share many pictures for you that relate to 95 honda civic wiring diagrams hopefully the picture gallery below will be useful for you 95 honda civic wiring diagram fuse box and wiring diagram 95 honda civic wiring diagram thanks for visiting my website this post will review about 95 honda civic wiring diagram we have actually accumulated many pictures ideally this picture serves for you and help you in locating the solution you are looking for 95 honda civic wiring diagrams honda auto fuse box diagram 95 honda civic wiring diagrams you are welcome to our site this is images about 95 honda civic wiring diagrams posted by maria nieto in 95 category on jul 10 2019 95 civic coupe wiring diagram diagram 92 civic fuse diagram wiring rh 28 unsere umzuege de 95 full size of 1995 honda crv fuse box diagram 95 civic layout odyssey interior dodge charger full size of 95 honda civic wiring diagrams 1999 to 2016 complete this video demonstrates the honda civic wiring diagrams and details of the wiring harness diagrams for the following systems are included radio wiring engine wiring ac wiring abs wiring 95 honda civic ignition wiring diagram circuit diagram maker 95 honda civic ignition wiring diagram welcome thank you for visiting this simple website we are trying to improve this website the website is in the development stage support from you in any form really helps us we really appreciate that 92 95 honda civic electrical wire diagram wiring diagram 92 95 honda civic electrical wire diagram here you are at our site this is images about 92 95 honda civic electrical wire diagram posted by benson fannie in honda category on jul 11 2019 repair guides wiring diagrams wiring diagrams autozone repair guide for your chassis electrical wiring diagrams wiring diagrams

















