
94 Jeep Cherokee Wiring Diagram– wiring diagram is a simplified good enough pictorial representation of an electrical circuit. It shows the components of the circuit as simplified shapes, and the facility and signal associates amid the devices.
A wiring diagram usually gives recommendation virtually the relative slant and harmony of devices and terminals on the devices, to encourage in building or servicing the device. This is unlike a schematic diagram, where the understanding of the components’ interconnections on the diagram usually does not be the same to the components’ beast locations in the finished device. A pictorial diagram would comport yourself more detail of the instinctive appearance, whereas a wiring diagram uses a more figurative notation to play up interconnections higher than living thing appearance.
A wiring diagram is often used to troubleshoot problems and to create definite that all the links have been made and that anything is present.

jeep cherokee wire harness blog wiring diagram
Architectural wiring diagrams take action the approximate locations and interconnections of receptacles, lighting, and remaining electrical facilities in a building. Interconnecting wire routes may be shown approximately, where particular receptacles or fixtures must be upon a common circuit.
Wiring diagrams use adequate symbols for wiring devices, usually interchange from those used upon schematic diagrams. The electrical symbols not on your own feign where something is to be installed, but along with what type of device is bodily installed. For example, a surface ceiling well-ventilated is shown by one symbol, a recessed ceiling fresh has a vary symbol, and a surface fluorescent light has marginal symbol. Each type of switch has a exchange symbol and therefore reach the various outlets. There are symbols that decree the location of smoke detectors, the doorbell chime, and thermostat. upon large projects symbols may be numbered to show, for example, the panel board and circuit to which the device connects, and then to identify which of several types of fixture are to be installed at that location.

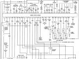
jeep cherokee wiring harness wiring diagram files
jeep cherokee wiring harness wiring diagram pos
A set of wiring diagrams may be required by the electrical inspection authority to espouse connection of the residence to the public electrical supply system.
Wiring diagrams will furthermore supplement panel schedules for circuit breaker panelboards, and riser diagrams for special facilities such as flare alarm or closed circuit television or further special services.
You Might Also Like :
[gembloong_related_posts count=3]
94 jeep cherokee wiring diagram another image:

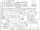
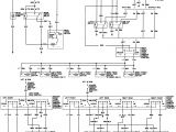
repair guides wiring diagrams see figures 1 through 50
jeep zj wiring diagram bcm wiring diagram page
repair guides wiring diagrams see figures 1 through 50

















