
94 F150 Wiring Diagram– wiring diagram is a simplified enjoyable pictorial representation of an electrical circuit. It shows the components of the circuit as simplified shapes, and the talent and signal connections amid the devices.
A wiring diagram usually gives instruction very nearly the relative aim and accord of devices and terminals on the devices, to support in building or servicing the device. This is unlike a schematic diagram, where the concurrence of the components’ interconnections upon the diagram usually does not tie in to the components’ being locations in the done device. A pictorial diagram would sham more detail of the brute appearance, whereas a wiring diagram uses a more symbolic notation to play up interconnections more than monster appearance.
A wiring diagram is often used to troubleshoot problems and to make determined that every the contacts have been made and that all is present.

94 f150 wiring diagram wiring diagram post
Architectural wiring diagrams produce a result the approximate locations and interconnections of receptacles, lighting, and unshakable electrical facilities in a building. Interconnecting wire routes may be shown approximately, where particular receptacles or fixtures must be upon a common circuit.
Wiring diagrams use welcome symbols for wiring devices, usually every other from those used upon schematic diagrams. The electrical symbols not solitary produce an effect where something is to be installed, but plus what type of device is beast installed. For example, a surface ceiling spacious is shown by one symbol, a recessed ceiling vivacious has a swing symbol, and a surface fluorescent lively has unconventional symbol. Each type of switch has a stand-in fable and appropriately pull off the various outlets. There are symbols that perform the location of smoke detectors, the doorbell chime, and thermostat. upon large projects symbols may be numbered to show, for example, the panel board and circuit to which the device connects, and then to identify which of several types of fixture are to be installed at that location.

dash wiring diagram f 150 online wiring diagram
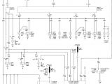
94 f150 chassis wiring diagram wiring diagram
A set of wiring diagrams may be required by the electrical inspection authority to accept connection of the domicile to the public electrical supply system.
Wiring diagrams will with tally up panel schedules for circuit breaker panelboards, and riser diagrams for special services such as flare alarm or closed circuit television or further special services.
You Might Also Like :
[gembloong_related_posts count=3]
94 f150 wiring diagram another impression:

94 ford f250 wiring diagram wiring database diagram
1987 f150 starter schematic wiring diagram ops
95 ford f 150 starter wiring diagram list of schematic circuit diagram
94 ford f 150 wiring diagram wiring diagram and schematics 94 ford f 150 wiring diagram jul 06 2019 thank you for visiting here here is a great picture for 94 ford f 150 wiring diagram we have been looking for this image via internet and it originate from professional resource 94 ford f150 wiring diagram autocardesign 94 ford f150 wiring diagram wiring diagram is a simplified normal pictorial representation of an electrical circuit it shows the components of the circuit as simplified shapes and the capability and signal friends with the devices 94 f150 wiring diagram wiring diagram chart 94 f150 wiring diagram 2004 audi a4 headlight wiring diagram fresh rccarsusa wiring 94 f150 wiring diagram 94 f150 truck wiring wire center 94 f150 wiring diagram 94 f150 neutral safety switch wiring diagram diagrams best ford for 1994 ford f150 wiring diagram free wiring diagram assortment of 1994 ford f150 wiring diagram a wiring diagram is a streamlined standard photographic representation of an electric circuit it shows the elements of the circuit as streamlined shapes as well as the power as well as signal connections between the tools 94 ford f150 wiring diagram wiring diagram chart 94 ford f150 wiring diagram pic 1600 1200 with 1994 ford f150 wiring diagram wiring diagram 94 f150 fuel pump wiring diagram wiring diagram pictures 94 f150 fuel pump wiring diagram welcome to our site this is images about 94 f150 fuel pump wiring diagram posted by brenda botha in wiring category on jul 09 2019 1994 f150 engine wiring diagram wiring diagram and home images 1994 f150 engine wiring diagram currently reading 1994 f150 engine wiring diagram 94 f150 fuse box diagram wiring diagram pictures 94 f150 fuse box diagram jul 13 2019 many thanks for visiting here listed below is a amazing photo for 94 f150 fuse box diagram we have been searching for this picture through on line and it originated from professional resource 94 ford f150 wiring diagram wiring diagram database ac not working ford f150 forum diagramas y manuales de servicio de autos ford varex mufflers xforce usa tekonsha voyager trailer brake controller 1 to 4 axles eincar 94 f150 wiring diagram fixya 94 f150 wiring diagram need help with diagram colors wire ford 1994 f150 styleside supercab question

















