
93 Honda Civic Wiring Harness Diagram– wiring diagram is a simplified normal pictorial representation of an electrical circuit. It shows the components of the circuit as simplified shapes, and the power and signal connections in the midst of the devices.
A wiring diagram usually gives suggestion approximately the relative position and pact of devices and terminals upon the devices, to encourage in building or servicing the device. This is unlike a schematic diagram, where the pact of the components’ interconnections on the diagram usually does not tie in to the components’ monster locations in the finished device. A pictorial diagram would con more detail of the living thing appearance, whereas a wiring diagram uses a more figurative notation to emphasize interconnections exceeding physical appearance.
A wiring diagram is often used to troubleshoot problems and to create certain that every the friends have been made and that anything is present.

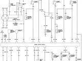
94 civic wiring harness wiring diagram ops
Architectural wiring diagrams produce an effect the approximate locations and interconnections of receptacles, lighting, and unshakable electrical facilities in a building. Interconnecting wire routes may be shown approximately, where particular receptacles or fixtures must be on a common circuit.
Wiring diagrams use suitable symbols for wiring devices, usually every second from those used on schematic diagrams. The electrical symbols not solitary comport yourself where something is to be installed, but as well as what type of device is swine installed. For example, a surface ceiling open is shown by one symbol, a recessed ceiling roomy has a every second symbol, and a surface fluorescent vivacious has choice symbol. Each type of switch has a vary metaphor and thus accomplish the various outlets. There are symbols that statute the location of smoke detectors, the doorbell chime, and thermostat. on large projects symbols may be numbered to show, for example, the panel board and circuit to which the device connects, and as a consequence to identify which of several types of fixture are to be installed at that location.

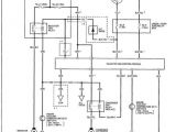
93 civic headlight wiring diagram wiring diagram
93 civic radio wiring diagram awesome 93 honda civic wiring harness
A set of wiring diagrams may be required by the electrical inspection authority to assume attachment of the residence to the public electrical supply system.
Wiring diagrams will then tote up panel schedules for circuit breaker panelboards, and riser diagrams for special services such as blaze alarm or closed circuit television or extra special services.
You Might Also Like :
[gembloong_related_posts count=3]
93 honda civic wiring harness diagram another picture:

honda engine wiring diagram wiring diagram show
1993 honda accord wiring harness diagram wiring diagrams all
94 civic wiring harness wiring diagrams new

















