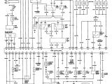
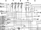
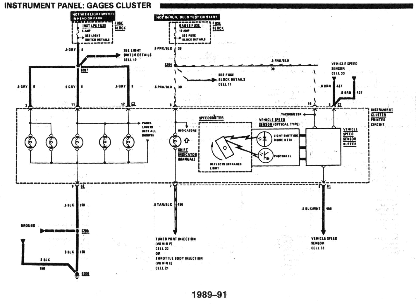
82 92 Camaro Wiring Harness Diagram


Warning: count(): Parameter must be an array or an object that implements Countable in /var/www/html/autocardesign.org/wp-content/themes/silegan-wordpress-theme/inc/themeson.class.php on line 625
82 92 Camaro Wiring Harness Diagram 4d7ca 92 Chevy Camaro Wiring Diagram Wiring Library
82 92 Camaro Wiring Harness Diagram 4d7ca 92 Chevy Camaro Wiring Diagram Wiring Library