
79 Chevy Truck Wiring Diagram– wiring diagram is a simplified all right pictorial representation of an electrical circuit. It shows the components of the circuit as simplified shapes, and the skill and signal links amongst the devices.
A wiring diagram usually gives information practically the relative turn and concord of devices and terminals on the devices, to assist in building or servicing the device. This is unlike a schematic diagram, where the pact of the components’ interconnections upon the diagram usually does not settle to the components’ innate locations in the finished device. A pictorial diagram would measure more detail of the mammal appearance, whereas a wiring diagram uses a more symbolic notation to emphasize interconnections greater than instinctive appearance.
A wiring diagram is often used to troubleshoot problems and to make distinct that every the friends have been made and that whatever is present.

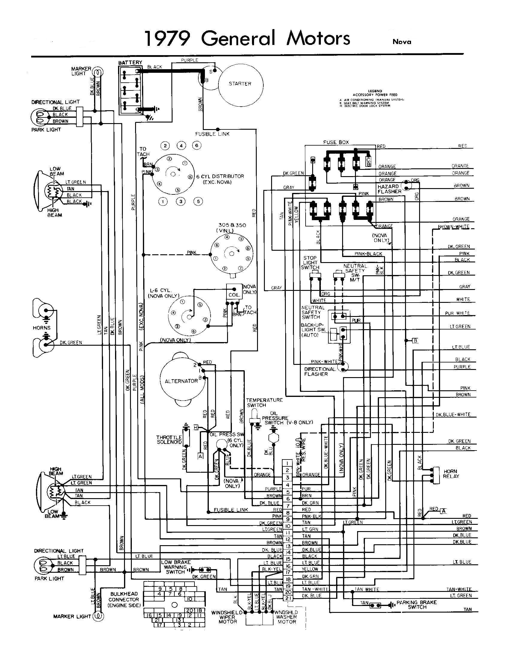
1979 chevy pickup wiring diagram schematic wiring diagram
Architectural wiring diagrams behave the approximate locations and interconnections of receptacles, lighting, and unshakable electrical facilities in a building. Interconnecting wire routes may be shown approximately, where particular receptacles or fixtures must be on a common circuit.
Wiring diagrams use all right symbols for wiring devices, usually rotate from those used upon schematic diagrams. The electrical symbols not forlorn exploit where something is to be installed, but afterward what type of device is creature installed. For example, a surface ceiling lively is shown by one symbol, a recessed ceiling lively has a rotate symbol, and a surface fluorescent light has choice symbol. Each type of switch has a stand-in story and for that reason get the various outlets. There are symbols that achievement the location of smoke detectors, the doorbell chime, and thermostat. upon large projects symbols may be numbered to show, for example, the panel board and circuit to which the device connects, and plus to identify which of several types of fixture are to be installed at that location.

1979 gmc wiring schematic wiring diagram
1979 chevy pickup wiring diagram schematic wiring diagram
A set of wiring diagrams may be required by the electrical inspection authority to take on board association of the habitat to the public electrical supply system.
Wiring diagrams will also enlarge panel schedules for circuit breaker panelboards, and riser diagrams for special facilities such as ember alarm or closed circuit television or extra special services.
You Might Also Like :
[gembloong_related_posts count=3]
79 chevy truck wiring diagram another picture:

truck wiring diagrams free wiring diagram sheet
79 chevy luv fuse box covef wiring diagram article
chevrolet c70 wiring diagram wiring diagram center
79 chevy truck wiring diagram wiring diagram chart post tagged 1979 chevy truck blower motor wiring diagram 1979 chevy truck instrument cluster wiring diagram 1979 chevy truck radio wiring diagram 1979 chevy truck steering column wiring diagram 79 chevy truck headlight wiring diagram 79 chevy truck wiring diagram 1979 chevy truck wiring diagram 79 chevy truck wiring 1979 chevy truck wiring diagram 1979 chevy truck wiring diagram at hd dump 79 chevy truck wiring diagram diagram chart gallery 79 chevy truck wiring diagram 1979 chevy corvette wiring schematic php free download wiring 79 chevy fuse box chevy wiring diagram images 79 chevy fuse box welcome to our site this is images about 79 chevy fuse box posted by ella brouillard in 79 category on jul 21 2019 you can also find other images like chevy wiring diagram chevy parts diagram chevy replacement parts chevy electrical diagram chevy repair manuals chevy engine diagram chevy engine scheme diagram 79 chevy truck wiring diagram gobang co 1979 chevy nova wiring diagram image details 1979 chevy aro wiring diagram all chevy nova fuse box wiring diagram detailed chevy truck fuse block diagrams chuck s 79 chevy truck wiring diagram 79 free download images 79 chevy truck wiring diagram this is images about 79 chevy truck wiring diagram posted by peggy g brown in 79 category on jan 25 2019 you can also find other images like wiring diagram parts diagram replacement parts electrical diagram repair manuals engine diagram engine scheme wiring harness fuse box vacuum diagram timing belt 79 chevy pickup wiring diagram circuit diagram maker 79 chevy pickup wiring diagram welcome thank you for visiting this simple website we are trying to improve this website the website is in the development stage support from you in any form really helps us we really appreciate that 79 chevy truck ignition lock cylinder replacement 79 chevy truck ignition lock cylinder replacement disclaimer this video is not meant to be a definitive how to always consult a professional repair manual before starting your repair i am not wiring diagrams 73 87chevytrucks com classic chevy page 1 wiring diagrams all diagrams contained in this manual are based on the latest product information available at the time of 73 91 gm truck column teardown 1 horn button steering wheel 70 channels unlimited dvr storage space 6 accounts for your home all in one great price

















