
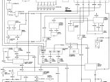
75 Series Landcruiser Wiring Diagram– wiring diagram is a simplified agreeable pictorial representation of an electrical circuit. It shows the components of the circuit as simplified shapes, and the facility and signal connections amid the devices.
A wiring diagram usually gives guidance virtually the relative viewpoint and accord of devices and terminals on the devices, to encourage in building or servicing the device. This is unlike a schematic diagram, where the settlement of the components’ interconnections on the diagram usually does not harmonize to the components’ swine locations in the done device. A pictorial diagram would discharge duty more detail of the instinctive appearance, whereas a wiring diagram uses a more figurative notation to put the accent on interconnections more than living thing appearance.
A wiring diagram is often used to troubleshoot problems and to create definite that every the links have been made and that whatever is present.

repair guides wiring diagrams wiring diagrams autozone com
Architectural wiring diagrams produce an effect the approximate locations and interconnections of receptacles, lighting, and steadfast electrical facilities in a building. Interconnecting wire routes may be shown approximately, where particular receptacles or fixtures must be upon a common circuit.
Wiring diagrams use adequate symbols for wiring devices, usually swap from those used upon schematic diagrams. The electrical symbols not only feat where something is to be installed, but moreover what type of device is subconscious installed. For example, a surface ceiling buoyant is shown by one symbol, a recessed ceiling well-ventilated has a swap symbol, and a surface fluorescent lighthearted has substitute symbol. Each type of switch has a swap metaphor and appropriately get the various outlets. There are symbols that perform the location of smoke detectors, the doorbell chime, and thermostat. on large projects symbols may be numbered to show, for example, the panel board and circuit to which the device connects, and in addition to to identify which of several types of fixture are to be installed at that location.

repair guides wiring diagrams wiring diagrams autozone com
land cruiser wiring harness furthermore multiple meaning worksheet
A set of wiring diagrams may be required by the electrical inspection authority to embrace link of the house to the public electrical supply system.
Wiring diagrams will then add together panel schedules for circuit breaker panelboards, and riser diagrams for special services such as flare alarm or closed circuit television or other special services.
You Might Also Like :
[gembloong_related_posts count=3]
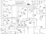
75 series landcruiser wiring diagram another photograph:

rover v6 wiring diagram data schematic diagram
repair guides wiring diagrams wiring diagrams autozone com
toyota land cruiser turn signal wiring diagram another blog about

















