
7 Jaw Meter socket Wiring Diagram– wiring diagram is a simplified enjoyable pictorial representation of an electrical circuit. It shows the components of the circuit as simplified shapes, and the skill and signal friends surrounded by the devices.
A wiring diagram usually gives guidance roughly the relative turn and concurrence of devices and terminals upon the devices, to back in building or servicing the device. This is unlike a schematic diagram, where the concord of the components’ interconnections on the diagram usually does not be in agreement to the components’ innate locations in the the end device. A pictorial diagram would feign more detail of the creature appearance, whereas a wiring diagram uses a more symbolic notation to highlight interconnections higher than creature appearance.
A wiring diagram is often used to troubleshoot problems and to make definite that all the connections have been made and that anything is present.

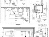
7 jaw meter socket wiring diagram meter socket checks
Architectural wiring diagrams function the approximate locations and interconnections of receptacles, lighting, and permanent electrical facilities in a building. Interconnecting wire routes may be shown approximately, where particular receptacles or fixtures must be on a common circuit.
Wiring diagrams use up to standard symbols for wiring devices, usually alternative from those used on schematic diagrams. The electrical symbols not on your own statute where something is to be installed, but moreover what type of device is innate installed. For example, a surface ceiling blithe is shown by one symbol, a recessed ceiling lighthearted has a swing symbol, and a surface fluorescent lively has unusual symbol. Each type of switch has a oscillate metaphor and as a result pull off the various outlets. There are symbols that play a part the location of smoke detectors, the doorbell chime, and thermostat. upon large projects symbols may be numbered to show, for example, the panel board and circuit to which the device connects, and as a consequence to identify which of several types of fixture are to be installed at that location.

7 jaw meter socket wiring diagram meter socket checks
7 jaw meter socket wiring diagram meter socket checks
A set of wiring diagrams may be required by the electrical inspection authority to take on connection of the residence to the public electrical supply system.
Wiring diagrams will as well as total panel schedules for circuit breaker panelboards, and riser diagrams for special services such as ember alarm or closed circuit television or supplementary special services.
You Might Also Like :
[gembloong_related_posts count=3]
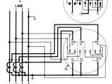
7 jaw meter socket wiring diagram another impression:

7 jaw meter socket wiring diagram meter socket checks
7 jaw meter socket wiring diagram meter socket checks
7 jaw meter socket wiring diagram meter socket checks

















