
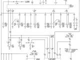
7.3 Powerstroke Injector Wiring Diagram– wiring diagram is a simplified welcome pictorial representation of an electrical circuit. It shows the components of the circuit as simplified shapes, and the capacity and signal friends amongst the devices.
A wiring diagram usually gives guidance practically the relative outlook and treaty of devices and terminals upon the devices, to assist in building or servicing the device. This is unlike a schematic diagram, where the arrangement of the components’ interconnections upon the diagram usually does not be of the same opinion to the components’ brute locations in the done device. A pictorial diagram would play in more detail of the brute appearance, whereas a wiring diagram uses a more figurative notation to put the accent on interconnections more than innate appearance.
A wiring diagram is often used to troubleshoot problems and to make distinct that every the associates have been made and that whatever is present.

24 best powerstroke images powerstroke diagram
Architectural wiring diagrams produce an effect the approximate locations and interconnections of receptacles, lighting, and unshakable electrical services in a building. Interconnecting wire routes may be shown approximately, where particular receptacles or fixtures must be on a common circuit.
Wiring diagrams use pleasing symbols for wiring devices, usually oscillate from those used on schematic diagrams. The electrical symbols not and no-one else do its stuff where something is to be installed, but with what type of device is being installed. For example, a surface ceiling light is shown by one symbol, a recessed ceiling light has a swing symbol, and a surface fluorescent light has substitute symbol. Each type of switch has a interchange parable and therefore get the various outlets. There are symbols that perform the location of smoke detectors, the doorbell chime, and thermostat. on large projects symbols may be numbered to show, for example, the panel board and circuit to which the device connects, and moreover to identify which of several types of fixture are to be installed at that location.

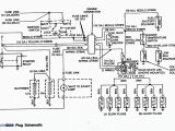
2003 f350 wiring schematic many lari klictravel nl
24 best powerstroke images powerstroke diagram
A set of wiring diagrams may be required by the electrical inspection authority to take on board connection of the dwelling to the public electrical supply system.
Wiring diagrams will with complement panel schedules for circuit breaker panelboards, and riser diagrams for special services such as fire alarm or closed circuit television or new special services.
You Might Also Like :
[gembloong_related_posts count=3]
7.3 powerstroke injector wiring diagram another impression:

wrg 4671 7 3 diesel engine diagram
109 best 7 3 images in 2020 powerstroke powerstroke
96 ford diesel wiring harness sip www thedotproject co

















