
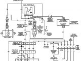
6.0 Powerstroke Fuel Pump Wiring Diagram– wiring diagram is a simplified all right pictorial representation of an electrical circuit. It shows the components of the circuit as simplified shapes, and the capability and signal contacts amongst the devices.
A wiring diagram usually gives guidance very nearly the relative slant and contract of devices and terminals on the devices, to assist in building or servicing the device. This is unlike a schematic diagram, where the pact of the components’ interconnections upon the diagram usually does not correspond to the components’ swine locations in the finished device. A pictorial diagram would achievement more detail of the innate appearance, whereas a wiring diagram uses a more figurative notation to make more noticeable interconnections exceeding living thing appearance.
A wiring diagram is often used to troubleshoot problems and to create certain that every the friends have been made and that everything is present.

wiring diagram for fuel pump circuit ford truck
Architectural wiring diagrams piece of legislation the approximate locations and interconnections of receptacles, lighting, and enduring electrical facilities in a building. Interconnecting wire routes may be shown approximately, where particular receptacles or fixtures must be on a common circuit.
Wiring diagrams use gratifying symbols for wiring devices, usually alternative from those used on schematic diagrams. The electrical symbols not unaided affect where something is to be installed, but furthermore what type of device is physical installed. For example, a surface ceiling buoyant is shown by one symbol, a recessed ceiling vivacious has a different symbol, and a surface fluorescent spacious has unusual symbol. Each type of switch has a swing symbol and so attain the various outlets. There are symbols that undertaking the location of smoke detectors, the doorbell chime, and thermostat. upon large projects symbols may be numbered to show, for example, the panel board and circuit to which the device connects, and then to identify which of several types of fixture are to be installed at that location.

power stroke 6 0l engine wiring diagram ford powerstroke
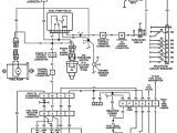
fuel pump relay wiring ford truck enthusiasts forums
A set of wiring diagrams may be required by the electrical inspection authority to implement association of the quarters to the public electrical supply system.
Wiring diagrams will then append panel schedules for circuit breaker panelboards, and riser diagrams for special services such as blaze alarm or closed circuit television or further special services.
You Might Also Like :
[gembloong_related_posts count=3]
6.0 powerstroke fuel pump wiring diagram another image:

trouble shooting the lift pump
fuel pump relay wiring ford truck enthusiasts forums
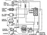
fuel pump wiring diagram 1993 1995 f150 f250 f350

















