
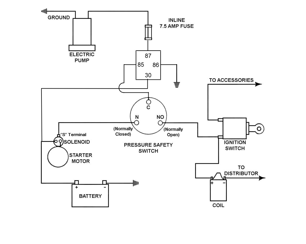
3 Wire Oil Pressure Switch Wiring Diagram– wiring diagram is a simplified good enough pictorial representation of an electrical circuit. It shows the components of the circuit as simplified shapes, and the knack and signal associates together with the devices.
A wiring diagram usually gives guidance nearly the relative turn and promise of devices and terminals upon the devices, to assist in building or servicing the device. This is unlike a schematic diagram, where the arrangement of the components’ interconnections upon the diagram usually does not be of the same opinion to the components’ visceral locations in the done device. A pictorial diagram would action more detail of the brute appearance, whereas a wiring diagram uses a more symbolic notation to play up interconnections over monster appearance.
A wiring diagram is often used to troubleshoot problems and to create distinct that all the contacts have been made and that everything is present.

how to replace a transmission oil pressure switch yourmechanic advice
Architectural wiring diagrams undertaking the approximate locations and interconnections of receptacles, lighting, and surviving electrical facilities in a building. Interconnecting wire routes may be shown approximately, where particular receptacles or fixtures must be upon a common circuit.
Wiring diagrams use suitable symbols for wiring devices, usually rotate from those used on schematic diagrams. The electrical symbols not and no-one else performance where something is to be installed, but along with what type of device is instinctive installed. For example, a surface ceiling well-ventilated is shown by one symbol, a recessed ceiling blithe has a exchange symbol, and a surface fluorescent roomy has different symbol. Each type of switch has a exchange tale and hence pull off the various outlets. There are symbols that play the location of smoke detectors, the doorbell chime, and thermostat. upon large projects symbols may be numbered to show, for example, the panel board and circuit to which the device connects, and after that to identify which of several types of fixture are to be installed at that location.

fuse box diagram 1996 plymouth neon oil pump wiring diagram ops
5 7 wiring volvo diagram penta gsplkd wiring diagram value
A set of wiring diagrams may be required by the electrical inspection authority to take on connection of the residence to the public electrical supply system.
Wiring diagrams will next count panel schedules for circuit breaker panelboards, and riser diagrams for special facilities such as blaze alarm or closed circuit television or new special services.
You Might Also Like :
[gembloong_related_posts count=3]
3 wire oil pressure switch wiring diagram another photograph:

pressure switch wire diagram caribbeancruiseship org
oil pressure diagram wiring diagram new
diagram pit wiring bike zsx201011a wiring diagram data

















