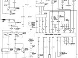
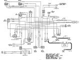
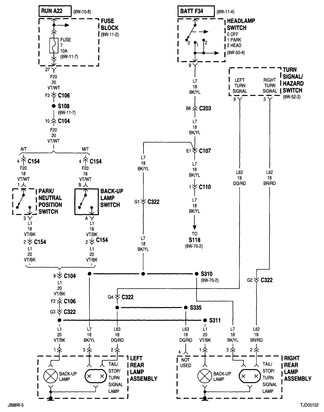
2019 Jeep Wrangler Jl Tail Light Wiring Diagram


Warning: count(): Parameter must be an array or an object that implements Countable in /var/www/html/autocardesign.org/wp-content/themes/silegan-wordpress-theme/inc/themeson.class.php on line 625
2019 Jeep Wrangler Jl Tail Light Wiring Diagram F63 Rv Tail Light Wiring Diagram Wiring Library
2019 Jeep Wrangler Jl Tail Light Wiring Diagram F63 Rv Tail Light Wiring Diagram Wiring Library
See also  Dynacharge Dy 1420 Wiring Diagram