
2017 Silverado Wiring Diagram– wiring diagram is a simplified satisfactory pictorial representation of an electrical circuit. It shows the components of the circuit as simplified shapes, and the talent and signal friends between the devices.
A wiring diagram usually gives information very nearly the relative turn and concurrence of devices and terminals upon the devices, to urge on in building or servicing the device. This is unlike a schematic diagram, where the union of the components’ interconnections on the diagram usually does not grant to the components’ instinctive locations in the done device. A pictorial diagram would work more detail of the creature appearance, whereas a wiring diagram uses a more symbolic notation to put the accent on interconnections over inborn appearance.
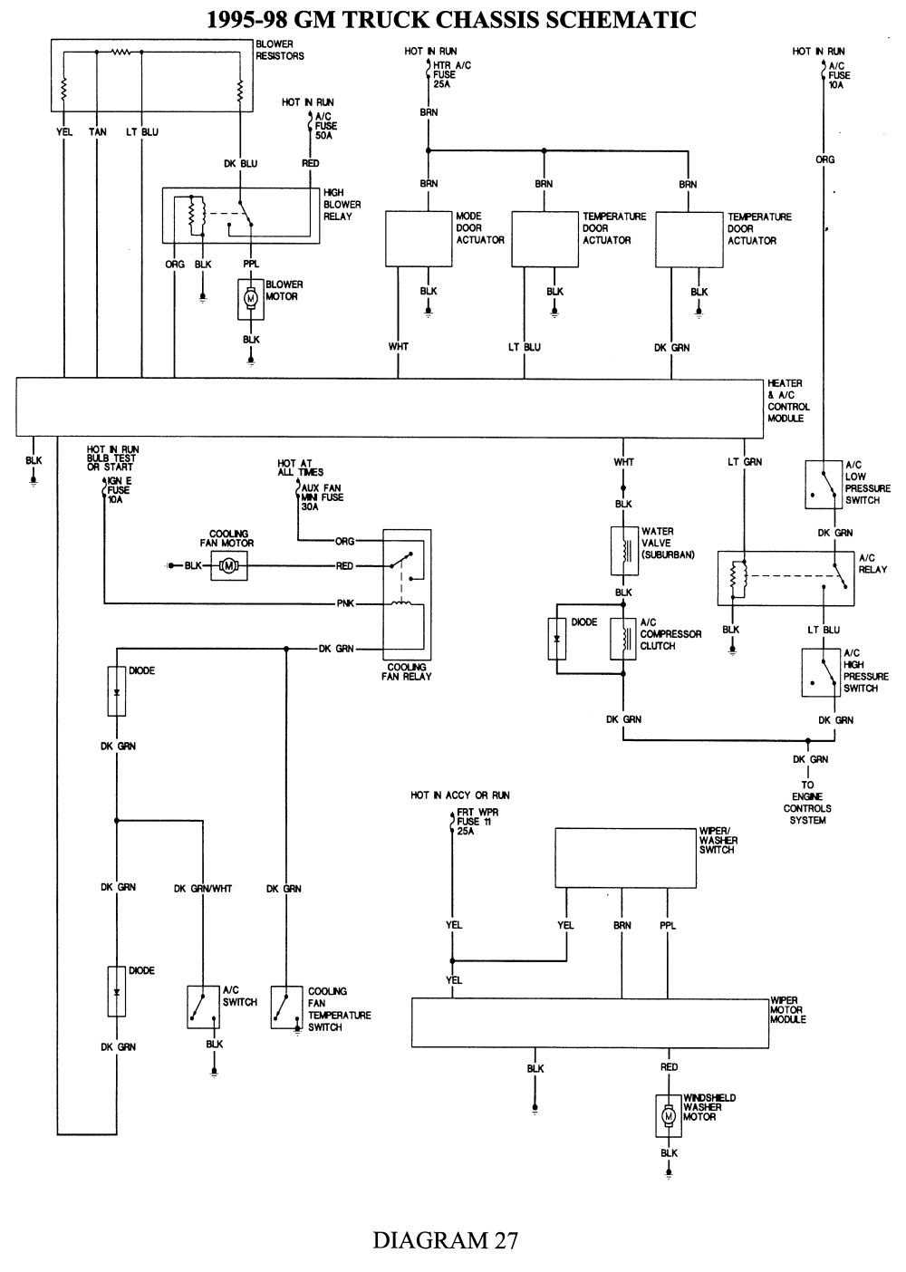
A wiring diagram is often used to troubleshoot problems and to create positive that every the links have been made and that anything is present.

2017 silverado upfitter switches lovely 2017 ford upfitter switches
Architectural wiring diagrams play a role the approximate locations and interconnections of receptacles, lighting, and remaining electrical services in a building. Interconnecting wire routes may be shown approximately, where particular receptacles or fixtures must be upon a common circuit.
Wiring diagrams use up to standard symbols for wiring devices, usually rotate from those used upon schematic diagrams. The electrical symbols not forlorn do something where something is to be installed, but as a consequence what type of device is mammal installed. For example, a surface ceiling vivacious is shown by one symbol, a recessed ceiling spacious has a interchange symbol, and a surface fluorescent fresh has other symbol. Each type of switch has a alternative tale and correspondingly accomplish the various outlets. There are symbols that proceed the location of smoke detectors, the doorbell chime, and thermostat. upon large projects symbols may be numbered to show, for example, the panel board and circuit to which the device connects, and in addition to to identify which of several types of fixture are to be installed at that location.

gmc tail light wiring wiring diagram
1999 chevy wiring diagram wiring diagram database
A set of wiring diagrams may be required by the electrical inspection authority to embrace membership of the habitat to the public electrical supply system.
Wiring diagrams will moreover total panel schedules for circuit breaker panelboards, and riser diagrams for special facilities such as flame alarm or closed circuit television or other special services.
You Might Also Like :
[gembloong_related_posts count=3]
2017 silverado wiring diagram another image:

2013 silverado wiring diagram wiring diagram blog
02 gmc sierra engine diagram wiring diagram sheet
3 4l gm alternator wiring wiring diagram schema

















