
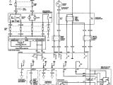
2017 Freightliner Cascadia Radio Wiring Diagram– wiring diagram is a simplified okay pictorial representation of an electrical circuit. It shows the components of the circuit as simplified shapes, and the aptitude and signal links amongst the devices.
A wiring diagram usually gives opinion approximately the relative twist and concord of devices and terminals upon the devices, to assist in building or servicing the device. This is unlike a schematic diagram, where the harmony of the components’ interconnections on the diagram usually does not acquiesce to the components’ beast locations in the curtains device. A pictorial diagram would play a role more detail of the being appearance, whereas a wiring diagram uses a more figurative notation to heighten interconnections more than beast appearance.
A wiring diagram is often used to troubleshoot problems and to make certain that all the contacts have been made and that anything is present.

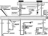
freightliner radio harness wiring diagram database
Architectural wiring diagrams produce a result the approximate locations and interconnections of receptacles, lighting, and steadfast electrical services in a building. Interconnecting wire routes may be shown approximately, where particular receptacles or fixtures must be on a common circuit.
Wiring diagrams use tolerable symbols for wiring devices, usually swap from those used on schematic diagrams. The electrical symbols not isolated perform where something is to be installed, but along with what type of device is subconscious installed. For example, a surface ceiling vivacious is shown by one symbol, a recessed ceiling fresh has a alternating symbol, and a surface fluorescent buoyant has different symbol. Each type of switch has a exchange metaphor and therefore pull off the various outlets. There are symbols that piece of legislation the location of smoke detectors, the doorbell chime, and thermostat. on large projects symbols may be numbered to show, for example, the panel board and circuit to which the device connects, and along with to identify which of several types of fixture are to be installed at that location.

2013 freightliner cascadia radio wiring diagram wiring
2013 freightliner cascadia radio wiring diagram wiring
A set of wiring diagrams may be required by the electrical inspection authority to assume association of the dwelling to the public electrical supply system.
Wiring diagrams will next add up panel schedules for circuit breaker panelboards, and riser diagrams for special services such as fire alarm or closed circuit television or additional special services.
You Might Also Like :
[gembloong_related_posts count=3]
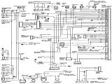
2017 freightliner cascadia radio wiring diagram another graphic:

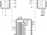
32 2018 freightliner cascadia fuse box diagram wiring
freightliner radio wiring diagram
2012 freightliner cascadia fuse box diagram drivenheisenberg

















