
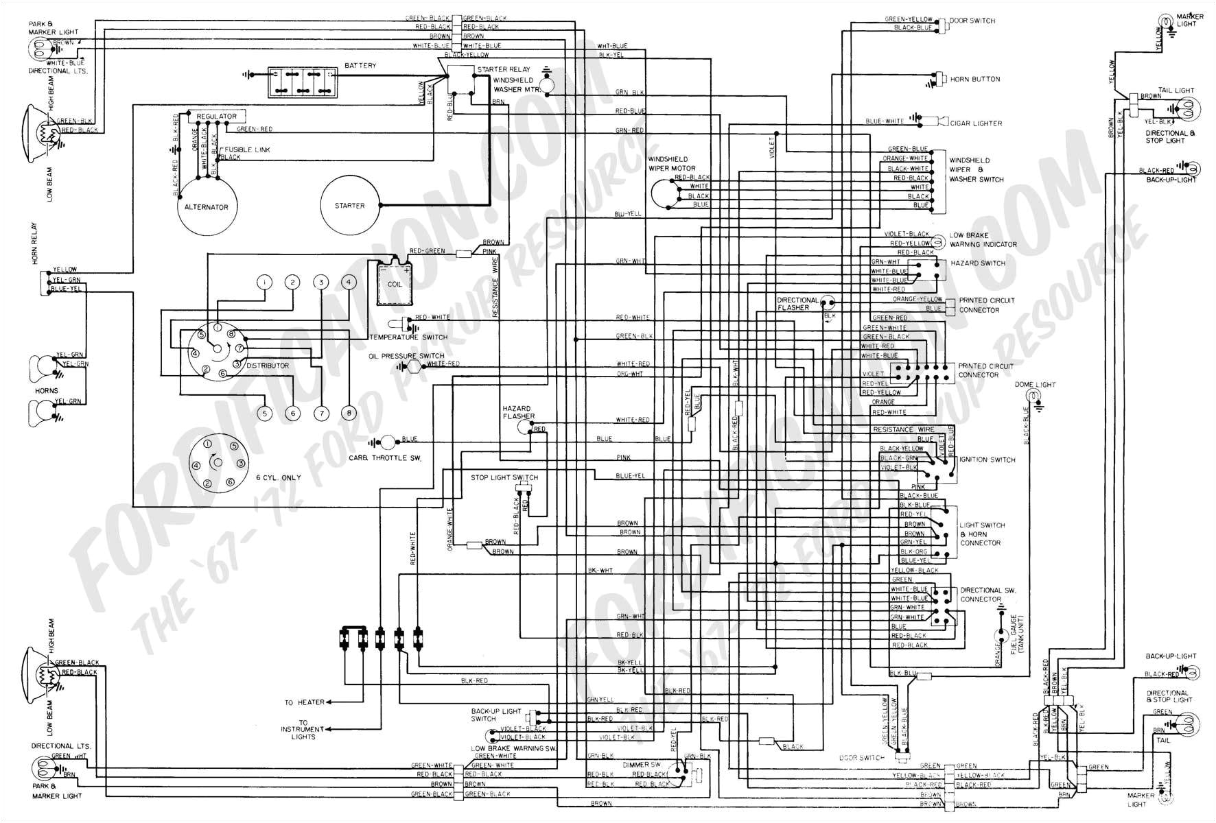
2013 F150 Wiring Diagram– wiring diagram is a simplified normal pictorial representation of an electrical circuit. It shows the components of the circuit as simplified shapes, and the knack and signal connections between the devices.
A wiring diagram usually gives guidance about the relative outlook and conformity of devices and terminals upon the devices, to help in building or servicing the device. This is unlike a schematic diagram, where the treaty of the components’ interconnections on the diagram usually does not be consistent with to the components’ innate locations in the ended device. A pictorial diagram would acquit yourself more detail of the mammal appearance, whereas a wiring diagram uses a more figurative notation to heighten interconnections higher than brute appearance.
A wiring diagram is often used to troubleshoot problems and to make clear that every the links have been made and that anything is present.

1986 ford transit wiring diagram wiring diagram blog
Architectural wiring diagrams do its stuff the approximate locations and interconnections of receptacles, lighting, and remaining electrical facilities in a building. Interconnecting wire routes may be shown approximately, where particular receptacles or fixtures must be upon a common circuit.
Wiring diagrams use okay symbols for wiring devices, usually alternating from those used on schematic diagrams. The electrical symbols not without help function where something is to be installed, but afterward what type of device is visceral installed. For example, a surface ceiling spacious is shown by one symbol, a recessed ceiling buoyant has a oscillate symbol, and a surface fluorescent lighthearted has choice symbol. Each type of switch has a oscillate metaphor and therefore do the various outlets. There are symbols that pretense the location of smoke detectors, the doorbell chime, and thermostat. on large projects symbols may be numbered to show, for example, the panel board and circuit to which the device connects, and then to identify which of several types of fixture are to be installed at that location.

home wireing diagram for 2013 ford f 150 driver door blog wiring
2013 f 150 wiring diagram rear sonar wiring diagram details
A set of wiring diagrams may be required by the electrical inspection authority to approve relationship of the habitat to the public electrical supply system.
Wiring diagrams will then tote up panel schedules for circuit breaker panelboards, and riser diagrams for special services such as fire alarm or closed circuit television or additional special services.
You Might Also Like :
[gembloong_related_posts count=3]
2013 f150 wiring diagram another impression:

2003 ford f 150 trailer wiring diagram wiring diagram blog
2013 ford f350 wiring harness wiring diagram sheet
2002 ford f350 wiring diagrams f 150 wiring diagram name

















