
2012 toyota Tundra Wiring Diagram– wiring diagram is a simplified tolerable pictorial representation of an electrical circuit. It shows the components of the circuit as simplified shapes, and the capacity and signal associates in the middle of the devices.
A wiring diagram usually gives counsel roughly the relative slant and concurrence of devices and terminals upon the devices, to support in building or servicing the device. This is unlike a schematic diagram, where the covenant of the components’ interconnections upon the diagram usually does not decide to the components’ physical locations in the done device. A pictorial diagram would put-on more detail of the mammal appearance, whereas a wiring diagram uses a more symbolic notation to play up interconnections higher than swine appearance.
A wiring diagram is often used to troubleshoot problems and to create sure that all the friends have been made and that everything is present.

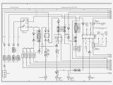
2001 toyota tundra wiring diagrams wiring diagram
Architectural wiring diagrams function the approximate locations and interconnections of receptacles, lighting, and permanent electrical facilities in a building. Interconnecting wire routes may be shown approximately, where particular receptacles or fixtures must be on a common circuit.
Wiring diagrams use adequate symbols for wiring devices, usually stand-in from those used upon schematic diagrams. The electrical symbols not isolated work where something is to be installed, but afterward what type of device is mammal installed. For example, a surface ceiling fresh is shown by one symbol, a recessed ceiling open has a exchange symbol, and a surface fluorescent vivacious has out of the ordinary symbol. Each type of switch has a stand-in parable and appropriately do the various outlets. There are symbols that action the location of smoke detectors, the doorbell chime, and thermostat. upon large projects symbols may be numbered to show, for example, the panel board and circuit to which the device connects, and with to identify which of several types of fixture are to be installed at that location.

xentec wiring diagram 2010 tacoma wiring diagram technic
2001 toyota tundra wiring diagrams wiring diagram
A set of wiring diagrams may be required by the electrical inspection authority to take on board association of the residence to the public electrical supply system.
Wiring diagrams will after that complement panel schedules for circuit breaker panelboards, and riser diagrams for special services such as fire alarm or closed circuit television or extra special services.
You Might Also Like :
[gembloong_related_posts count=3]
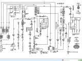
2012 toyota tundra wiring diagram another impression:

2013 toyota corolla fuse diagram wiring diagram sheet
xentec wiring diagram 2010 tacoma wiring diagram technic
nest thermostat humidifier wiring diagram wiring library

















