2012 Taotao 50cc Scooter Wiring Diagram

2012 Taotao 50cc Scooter Wiring Diagram Taotao Scooter Wiring Diagram Wiring Diagram Info
2012 Taotao 50cc Scooter Wiring Diagram Taotao Scooter Wiring Diagram Wiring Diagram Info

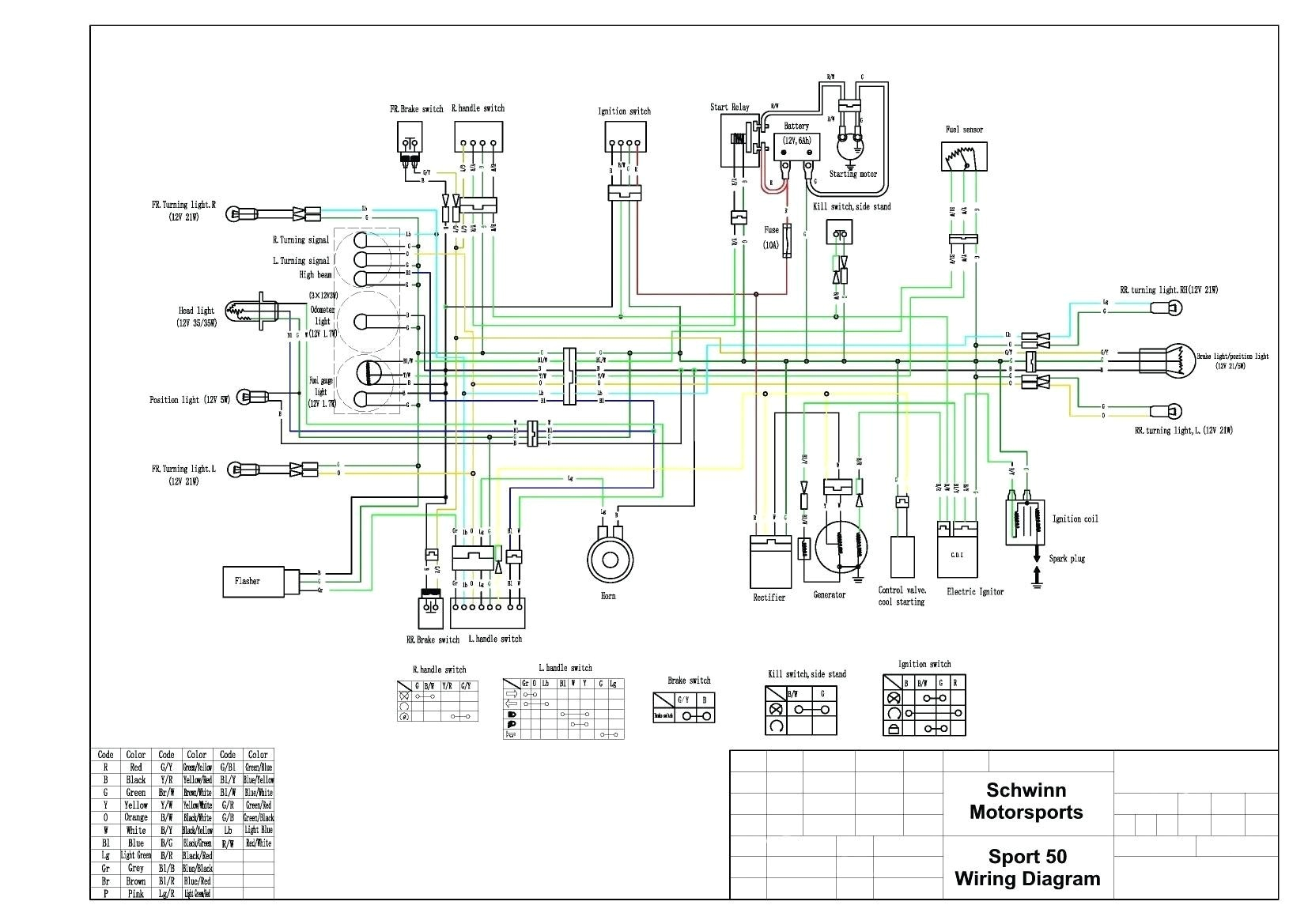
2012 Taotao 50cc Scooter Wiring Diagram– wiring diagram is a simplified up to standard pictorial representation of an electrical circuit. It shows the components of the circuit as simplified shapes, and the capacity and signal connections along with the devices.

A wiring diagram usually gives guidance more or less the relative position and promise of devices and terminals upon the devices, to support in building or servicing the device. This is unlike a schematic diagram, where the harmony of the components’ interconnections on the diagram usually does not get along with to the components’ being locations in the ended device. A pictorial diagram would function more detail of the mammal appearance, whereas a wiring diagram uses a more figurative notation to bring out interconnections exceeding physical appearance.

A wiring diagram is often used to troubleshoot problems and to make positive that every the connections have been made and that all is present.

vip 50cc scooter wiring diagram wiring diagram show 2014 tao tao moped wiring diagram
2014 tao tao moped wiring diagram wiring diagram show

Architectural wiring diagrams decree the approximate locations and interconnections of receptacles, lighting, and permanent electrical facilities in a building. Interconnecting wire routes may be shown approximately, where particular receptacles or fixtures must be upon a common circuit.

Wiring diagrams use gratifying symbols for wiring devices, usually rotate from those used on schematic diagrams. The electrical symbols not lonesome produce a result where something is to be installed, but in addition to what type of device is creature installed. For example, a surface ceiling lively is shown by one symbol, a recessed ceiling fresh has a vary symbol, and a surface fluorescent open has option symbol. Each type of switch has a alternating parable and consequently pull off the various outlets. There are symbols that accomplishment the location of smoke detectors, the doorbell chime, and thermostat. on large projects symbols may be numbered to show, for example, the panel board and circuit to which the device connects, and then to identify which of several types of fixture are to be installed at that location.

taotao 50cc engine diagram wiring diagram sample taotao electric scooter wiring diagram taotao scooter wiring diagram
taotao scooter wiring diagram wiring diagram info
vip 50cc scooter wiring diagram wiring diagram show tao tao 49cc scooter cdi wiring diagram
tao tao 49cc scooter cdi wiring diagram wiring diagram fascinating

A set of wiring diagrams may be required by the electrical inspection authority to implement association of the residence to the public electrical supply system.

Wiring diagrams will with augment panel schedules for circuit breaker panelboards, and riser diagrams for special services such as blaze alarm or closed circuit television or extra special services.

You Might Also Like :
[gembloong_related_posts count=3]

2012 taotao 50cc scooter wiring diagram another photograph:

taotao 50cc scooter wiring diagram wiring diagram expert taotao 49cc wiring diagram wiring diagram toolbox 2012
taotao 50 scooter cdi wiring diagram wiring diagram split
taotao scooter wiring diagram
taotao scooter wiring diagram wiring diagram info
tao 50cc moped wiring diagram wiring diagram technic 2015 tao tao 50cc engine diagram wiring diagram
tao tao scooter wiring diagram wiring diagrams value

taotao scooter wiring diagram wiring diagram chart taotao scooter wiring diagram see more about taotao scooter wiring diagram 2012 taotao 50cc scooter wiring diagram 2014 taotao 50cc scooter wiring diagram taotao wire diagram tao tao vip diagram database this website uses cookies to improve your experience we ll assume you re ok with this but you can opt out if you wish accept read more taotao atm50 a1 chinese scooter pdi assembly part 5 wiring and connectors part 5 of the tao tao atm50a1 chinese scooter pdi video series covers wiring and connectors dielectric grease application silicone sealing and more 50cc atv wiring diagram car diagram 50cc atv wiring diagram taotao 50cc carburetor diagram is just one of the images we discovered on the internet from reliable resources this is the reason why a fine wiring diagram is essential for wiring your home safely this is the reason why a fine wiring diagram is essential for wiring your house safely along with information about 2012 taotao 49cc scooter wiring diagram might be 2012 taotao 50cc scooter wiring diagram recibosverdes org 2012 taotao 50cc scooter wiring diagram amazon ignition switch assy for 50cc 150cc scooter buy ignition switch assy for 50cc 150cc scooter ignition starter amazon free delivery possible on eligible purchases dictionary s list of every word of the year bluster in a year known for the occupy movement and what became known as the arab spring our taotao 50cc scooter wiring diagram wiring diagram chart taotao 50cc scooter wiring diagram taotao 50cc scooter wiring diagram beautiful delighted for 150cc solved 2012 tao tao 49cc manual fixya source ignition switch for a 49cc tao tao scooter and an ignition switch wiring diagram hi michael for this scenario you will need your service owners manual if you can t find the first and best tool you ever bought for your taotao despair not for a mere zero 0 you can download another one 49cc taotao engine diagram downloaddescargar com wiring diagram besides 49cc gy6 scooter wiring harness as well 49cc 49 cc 5 wire diagram wiring diagram home 49cc 2 stroke scooter engine diagram wiring diagram taotao 50cc scooter owners manual taotao usa inc taotao usa inc i need the wiring diagram for a 2012 taotao 50 c c scooter i need the wiring diagram for a 2012 taotao 50 c c scooter i have already inquired this question and i am really health beauty question fix chinese 49cc scooter that won t start this video will show you how to test for fuel and spark in a 49cc scooter this video will also show you how to replace a cdi box and get your scooter back up and running
 

Tags: