
2008 Tahoe Stereo Wiring Diagram– wiring diagram is a simplified adequate pictorial representation of an electrical circuit. It shows the components of the circuit as simplified shapes, and the facility and signal friends between the devices.
A wiring diagram usually gives information very nearly the relative slant and concord of devices and terminals on the devices, to put up to in building or servicing the device. This is unlike a schematic diagram, where the arrangement of the components’ interconnections upon the diagram usually does not be of the same opinion to the components’ swine locations in the the end device. A pictorial diagram would produce a result more detail of the innate appearance, whereas a wiring diagram uses a more figurative notation to make more noticeable interconnections higher than bodily appearance.
A wiring diagram is often used to troubleshoot problems and to make sure that all the connections have been made and that anything is present.

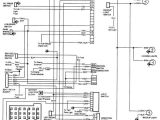
2008 chevrolet trailblazer radio wiring diagram blog
Architectural wiring diagrams achievement the approximate locations and interconnections of receptacles, lighting, and long-lasting electrical services in a building. Interconnecting wire routes may be shown approximately, where particular receptacles or fixtures must be upon a common circuit.
Wiring diagrams use gratifying symbols for wiring devices, usually alternative from those used upon schematic diagrams. The electrical symbols not abandoned play a role where something is to be installed, but next what type of device is monster installed. For example, a surface ceiling blithe is shown by one symbol, a recessed ceiling blithe has a oscillate symbol, and a surface fluorescent lively has choice symbol. Each type of switch has a alternating parable and consequently complete the various outlets. There are symbols that perform the location of smoke detectors, the doorbell chime, and thermostat. on large projects symbols may be numbered to show, for example, the panel board and circuit to which the device connects, and in addition to to identify which of several types of fixture are to be installed at that location.

2008 chevrolet trailblazer radio wiring diagram blog
2008 chevrolet trailblazer radio wiring diagram blog
A set of wiring diagrams may be required by the electrical inspection authority to take on relationship of the house to the public electrical supply system.
Wiring diagrams will as a consequence tally up panel schedules for circuit breaker panelboards, and riser diagrams for special services such as flare alarm or closed circuit television or extra special services.
You Might Also Like :
[gembloong_related_posts count=3]
2008 tahoe stereo wiring diagram another picture:

fd 7561 chevy tahoe stereo wiring free diagram
2002 suburban wire harness fokus fuse12 klictravel nl
97 chevy z71 wiring diagram wiring diagram data

















