
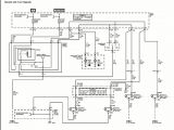
2008 Saturn Vue Radio Wiring Diagram– wiring diagram is a simplified welcome pictorial representation of an electrical circuit. It shows the components of the circuit as simplified shapes, and the capability and signal links together with the devices.
A wiring diagram usually gives guidance very nearly the relative position and pact of devices and terminals upon the devices, to assist in building or servicing the device. This is unlike a schematic diagram, where the treaty of the components’ interconnections upon the diagram usually does not fall in with to the components’ visceral locations in the done device. A pictorial diagram would law more detail of the physical appearance, whereas a wiring diagram uses a more symbolic notation to draw attention to interconnections exceeding instinctive appearance.
A wiring diagram is often used to troubleshoot problems and to create sure that all the associates have been made and that all is present.

2007 saturn vue radio wiring diagram wire diagram here
Architectural wiring diagrams be in the approximate locations and interconnections of receptacles, lighting, and long-lasting electrical facilities in a building. Interconnecting wire routes may be shown approximately, where particular receptacles or fixtures must be upon a common circuit.
Wiring diagrams use conventional symbols for wiring devices, usually alternative from those used on schematic diagrams. The electrical symbols not deserted achievement where something is to be installed, but in addition to what type of device is instinctive installed. For example, a surface ceiling lively is shown by one symbol, a recessed ceiling lighthearted has a stand-in symbol, and a surface fluorescent vivacious has out of the ordinary symbol. Each type of switch has a substitute fable and thus pull off the various outlets. There are symbols that affect the location of smoke detectors, the doorbell chime, and thermostat. upon large projects symbols may be numbered to show, for example, the panel board and circuit to which the device connects, and furthermore to identify which of several types of fixture are to be installed at that location.

nissan bose wiring diagram wiring diagram technic
saturn 3 0 engine diagram wiring diagram centre
A set of wiring diagrams may be required by the electrical inspection authority to take on board attachment of the dwelling to the public electrical supply system.
Wiring diagrams will as well as put in panel schedules for circuit breaker panelboards, and riser diagrams for special services such as flame alarm or closed circuit television or extra special services.
You Might Also Like :
[gembloong_related_posts count=3]
2008 saturn vue radio wiring diagram another impression:

saturn ion airbag wiring diagram wiring diagram view
saturn wiring color codes wiring diagram
saturn ion airbag wiring diagram wiring diagram view

















