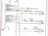
2008 Dodge Ram 2500 Radio Wiring Diagram


Warning: count(): Parameter must be an array or an object that implements Countable in /var/www/html/autocardesign.org/wp-content/themes/silegan-wordpress-theme/inc/themeson.class.php on line 625
2008 Dodge Ram 2500 Radio Wiring Diagram 2011 Ram 3500 Wiring Diagram Keju Fuse9 Klictravel Nl
2008 Dodge Ram 2500 Radio Wiring Diagram 2011 Ram 3500 Wiring Diagram Keju Fuse9 Klictravel Nl