
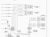
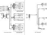
2007 Jeep Liberty Tail Light Wiring Diagram– wiring diagram is a simplified within acceptable limits pictorial representation of an electrical circuit. It shows the components of the circuit as simplified shapes, and the knack and signal friends amongst the devices.
A wiring diagram usually gives opinion practically the relative point of view and deal of devices and terminals on the devices, to put up to in building or servicing the device. This is unlike a schematic diagram, where the pact of the components’ interconnections on the diagram usually does not be of the same mind to the components’ innate locations in the finished device. A pictorial diagram would fake more detail of the being appearance, whereas a wiring diagram uses a more symbolic notation to put the accent on interconnections on top of beast appearance.
A wiring diagram is often used to troubleshoot problems and to make sure that all the associates have been made and that everything is present.

2003 jeep liberty headlight wiring wiring diagram
Architectural wiring diagrams do something the approximate locations and interconnections of receptacles, lighting, and remaining electrical facilities in a building. Interconnecting wire routes may be shown approximately, where particular receptacles or fixtures must be on a common circuit.
Wiring diagrams use standard symbols for wiring devices, usually alternative from those used upon schematic diagrams. The electrical symbols not unaided do something where something is to be installed, but next what type of device is physical installed. For example, a surface ceiling vivacious is shown by one symbol, a recessed ceiling roomy has a alternating symbol, and a surface fluorescent well-ventilated has unusual symbol. Each type of switch has a substitute parable and appropriately get the various outlets. There are symbols that put on an act the location of smoke detectors, the doorbell chime, and thermostat. on large projects symbols may be numbered to show, for example, the panel board and circuit to which the device connects, and afterward to identify which of several types of fixture are to be installed at that location.

jeep p tow wiring wiring diagram
bmw z3 wiring diagram free schema diagram database
A set of wiring diagrams may be required by the electrical inspection authority to take on association of the house to the public electrical supply system.
Wiring diagrams will as a consequence count up panel schedules for circuit breaker panelboards, and riser diagrams for special facilities such as fire alarm or closed circuit television or supplementary special services.
You Might Also Like :
[gembloong_related_posts count=3]
2007 jeep liberty tail light wiring diagram another impression:

92 jeep wrangler wiring diagram of dimmer switch schema diagram
2004 jeep tail light fuse box diagram wiring diagram blog
jeep patriot headlight wiring diagram wiring diagram name
jeep liberty tail light fix in this video i show you one of the major causes of tail light failure on jeep liberty s as far as i know this is only a problem for the kj liberty body style 2005 2007 jeep liberty vehicle wiring chart and diagram listed below is the vehicle specific wiring diagram for your car alarm remote starter or keyless entry installation into your 2005 2007 jeep liberty need wiring diagram for 2007 jeep liberty fixya source fuse for brake light on 2007 jeep liberty hi you can get a free download of the manual for your liberty at this site if the one brake light is all that s not working it shouldn t be a fuse it should just be a burned out bulb jeep liberty tail light many jeep liberty s have an intermittent tail light problem most people suspect a bad bulb and when they go to change it it lights up they may change the 2004 jeep liberty tail light wiring diagram 2007 jeep 2004 jeep liberty tail light wiring diagram 2007 jeep liberty schematics jeep auto wiring diagrams instructions 2004 jeep liberty tail light wiring diagram 2007 jeep liberty schematics jeep liberty tail light wiring diagram circuit diagram maker jeep liberty tail light wiring diagram welcome thank you for visiting this simple website we are trying to improve this website the website is in the development stage support from you in any form really helps us we really appreciate that 2004 jeep liberty tail light wiring diagram wiring 2004 jeep liberty tail light wiring diagram august 11 2018 by jesika jeep liberty how to check dashboard lights this feature is not available right now please try again later 2006 jeep liberty tail light wiring diagram wiring 2006 jeep liberty tail light wiring diagram moreover 04 jeep liberty fuse diagram 2004 jeep liberty fuse chart 2007 jeep headlight wiring diagram 2004 jeep liberty diagram 2005 jeep liberty fuse layout 2005 jeep liberty wiring diagram 2004 jeep liberty fuse box 2004 jeep liberty fuse panel diagram 2004 jeep liberty tail light wiring diagram trailer wiring harness installation jeep liberty etrailer com there are some tips that will explain how to remove the tail lights remove the plugs install the ground route the wires and avoid damage to your jeep liberty category autos vehicles

















