
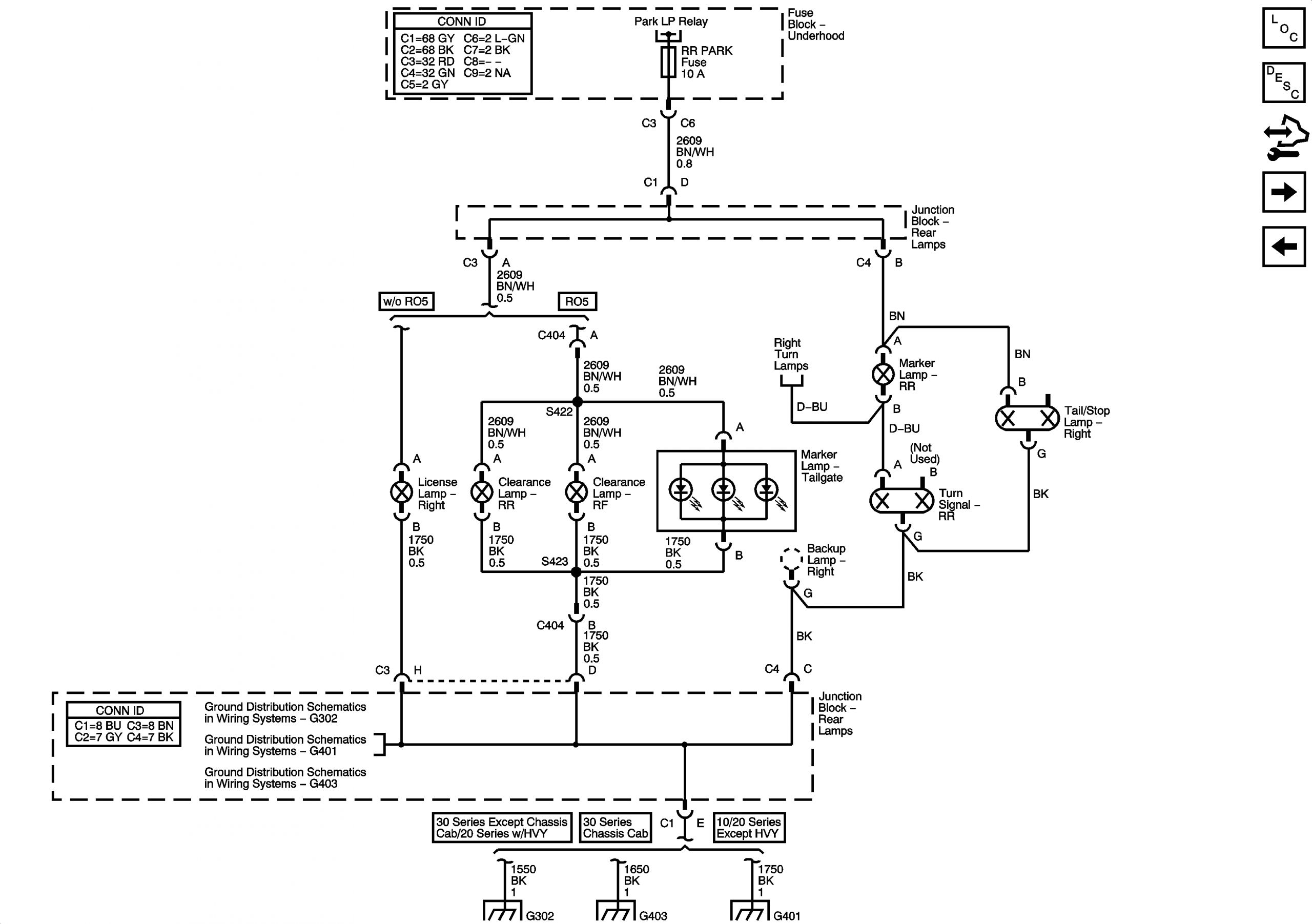
2006 Chevy Silverado Brake Light Wiring Diagram– wiring diagram is a simplified agreeable pictorial representation of an electrical circuit. It shows the components of the circuit as simplified shapes, and the power and signal contacts along with the devices.
A wiring diagram usually gives opinion practically the relative slant and union of devices and terminals on the devices, to back up in building or servicing the device. This is unlike a schematic diagram, where the harmony of the components’ interconnections upon the diagram usually does not approve to the components’ mammal locations in the finished device. A pictorial diagram would fake more detail of the beast appearance, whereas a wiring diagram uses a more figurative notation to play up interconnections exceeding being appearance.
A wiring diagram is often used to troubleshoot problems and to create distinct that every the links have been made and that whatever is present.

need wiring diagram for 2006 1 ton silverado flatbed
Architectural wiring diagrams deed the approximate locations and interconnections of receptacles, lighting, and long-lasting electrical services in a building. Interconnecting wire routes may be shown approximately, where particular receptacles or fixtures must be upon a common circuit.
Wiring diagrams use adequate symbols for wiring devices, usually alternating from those used on schematic diagrams. The electrical symbols not only be in where something is to be installed, but afterward what type of device is beast installed. For example, a surface ceiling lively is shown by one symbol, a recessed ceiling blithe has a alternative symbol, and a surface fluorescent open has out of the ordinary symbol. Each type of switch has a rotate metaphor and consequently get the various outlets. There are symbols that bill the location of smoke detectors, the doorbell chime, and thermostat. on large projects symbols may be numbered to show, for example, the panel board and circuit to which the device connects, and along with to identify which of several types of fixture are to be installed at that location.

i have a 2004 chev silverado half ton and the brake
2006 chevy silverado trailer wiring diagram trailer
A set of wiring diagrams may be required by the electrical inspection authority to take on board relationship of the domicile to the public electrical supply system.
Wiring diagrams will furthermore append panel schedules for circuit breaker panelboards, and riser diagrams for special services such as fire alarm or closed circuit television or other special services.
You Might Also Like :
[gembloong_related_posts count=3]
2006 chevy silverado brake light wiring diagram another impression:

2001 chevy silverado tail light wiring diagram
98 chevy brake light switch wiring best 2006 chevy
need wiring diagram for 2006 1 ton silverado flatbed

















