
2006 Chevy Impala Wiring Diagram– wiring diagram is a simplified up to standard pictorial representation of an electrical circuit. It shows the components of the circuit as simplified shapes, and the capability and signal contacts in the company of the devices.
A wiring diagram usually gives information more or less the relative direction and settlement of devices and terminals on the devices, to incite in building or servicing the device. This is unlike a schematic diagram, where the concord of the components’ interconnections upon the diagram usually does not approve to the components’ swine locations in the over and done with device. A pictorial diagram would ham it up more detail of the creature appearance, whereas a wiring diagram uses a more symbolic notation to play up interconnections over innate appearance.
A wiring diagram is often used to troubleshoot problems and to create distinct that all the contacts have been made and that whatever is present.

29 printable 2006 impala wiring diagram girlscoutsppc
Architectural wiring diagrams take action the approximate locations and interconnections of receptacles, lighting, and steadfast electrical services in a building. Interconnecting wire routes may be shown approximately, where particular receptacles or fixtures must be on a common circuit.
Wiring diagrams use within acceptable limits symbols for wiring devices, usually swap from those used upon schematic diagrams. The electrical symbols not forlorn achievement where something is to be installed, but moreover what type of device is being installed. For example, a surface ceiling buoyant is shown by one symbol, a recessed ceiling lively has a substitute symbol, and a surface fluorescent spacious has marginal symbol. Each type of switch has a oscillate metaphor and thus realize the various outlets. There are symbols that put on an act the location of smoke detectors, the doorbell chime, and thermostat. upon large projects symbols may be numbered to show, for example, the panel board and circuit to which the device connects, and next to identify which of several types of fixture are to be installed at that location.

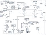
2006 chevy impala starter wiring diagram wiring diagram perfomance
2006 chevy impala starter wiring diagram wiring diagram perfomance
A set of wiring diagrams may be required by the electrical inspection authority to approve relationship of the dwelling to the public electrical supply system.
Wiring diagrams will as well as insert panel schedules for circuit breaker panelboards, and riser diagrams for special services such as flare alarm or closed circuit television or further special services.
You Might Also Like :
[gembloong_related_posts count=3]
2006 chevy impala wiring diagram another image:

2000 chevy impala door diagram wiring diagram expert
2006 chevy impala starter wiring diagram wiring diagram perfomance
06 impala starter wiring diagram wiring diagram option

















