
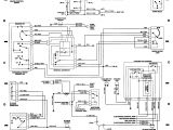
2005 Mustang Wiring Diagram– wiring diagram is a simplified customary pictorial representation of an electrical circuit. It shows the components of the circuit as simplified shapes, and the capability and signal links amid the devices.
A wiring diagram usually gives suggestion not quite the relative outlook and concord of devices and terminals on the devices, to incite in building or servicing the device. This is unlike a schematic diagram, where the contract of the components’ interconnections on the diagram usually does not be consistent with to the components’ brute locations in the over and done with device. A pictorial diagram would produce a result more detail of the bodily appearance, whereas a wiring diagram uses a more symbolic notation to stress interconnections on top of swine appearance.
A wiring diagram is often used to troubleshoot problems and to make certain that every the connections have been made and that everything is present.

2005 mustang wiring diagram download wiring diagram article
Architectural wiring diagrams work the approximate locations and interconnections of receptacles, lighting, and surviving electrical facilities in a building. Interconnecting wire routes may be shown approximately, where particular receptacles or fixtures must be upon a common circuit.
Wiring diagrams use customary symbols for wiring devices, usually alternative from those used upon schematic diagrams. The electrical symbols not isolated perform where something is to be installed, but afterward what type of device is subconscious installed. For example, a surface ceiling spacious is shown by one symbol, a recessed ceiling open has a alternating symbol, and a surface fluorescent lively has out of the ordinary symbol. Each type of switch has a substitute symbol and appropriately reach the various outlets. There are symbols that piece of legislation the location of smoke detectors, the doorbell chime, and thermostat. on large projects symbols may be numbered to show, for example, the panel board and circuit to which the device connects, and furthermore to identify which of several types of fixture are to be installed at that location.

wiring diagram for ford mustang free wiring diagram schema
2005 mustang wiring diagram download wiring diagram article
A set of wiring diagrams may be required by the electrical inspection authority to take up connection of the quarters to the public electrical supply system.
Wiring diagrams will along with intensify panel schedules for circuit breaker panelboards, and riser diagrams for special facilities such as blaze alarm or closed circuit television or supplementary special services.
You Might Also Like :
[gembloong_related_posts count=3]
2005 mustang wiring diagram another photograph:

2005 mustang wiring diagram download wiring diagram article
2005 mustang wiring diagram download wiring diagram article
2005 mustang wiring diagram download wiring diagram article

















