
2005 Mustang Stereo Wiring Diagram– wiring diagram is a simplified customary pictorial representation of an electrical circuit. It shows the components of the circuit as simplified shapes, and the capacity and signal friends amongst the devices.
A wiring diagram usually gives opinion just about the relative point and union of devices and terminals upon the devices, to encourage in building or servicing the device. This is unlike a schematic diagram, where the arrangement of the components’ interconnections upon the diagram usually does not fall in with to the components’ being locations in the done device. A pictorial diagram would bill more detail of the living thing appearance, whereas a wiring diagram uses a more symbolic notation to highlight interconnections beyond physical appearance.
A wiring diagram is often used to troubleshoot problems and to create definite that every the contacts have been made and that all is present.

factory sub amp wiring ford explorer and ranger forums quotserious
Architectural wiring diagrams perform the approximate locations and interconnections of receptacles, lighting, and unshakable electrical facilities in a building. Interconnecting wire routes may be shown approximately, where particular receptacles or fixtures must be upon a common circuit.
Wiring diagrams use enjoyable symbols for wiring devices, usually alternative from those used on schematic diagrams. The electrical symbols not unaided play-act where something is to be installed, but along with what type of device is visceral installed. For example, a surface ceiling vivacious is shown by one symbol, a recessed ceiling fresh has a substitute symbol, and a surface fluorescent roomy has out of the ordinary symbol. Each type of switch has a every second fable and appropriately get the various outlets. There are symbols that decree the location of smoke detectors, the doorbell chime, and thermostat. upon large projects symbols may be numbered to show, for example, the panel board and circuit to which the device connects, and plus to identify which of several types of fixture are to be installed at that location.

wiring diagram for radio wiring diagram used
vw wire diagram 2005 wiring diagram list
A set of wiring diagrams may be required by the electrical inspection authority to implement association of the house to the public electrical supply system.
Wiring diagrams will next count up panel schedules for circuit breaker panelboards, and riser diagrams for special services such as flare alarm or closed circuit television or other special services.
You Might Also Like :
[gembloong_related_posts count=3]
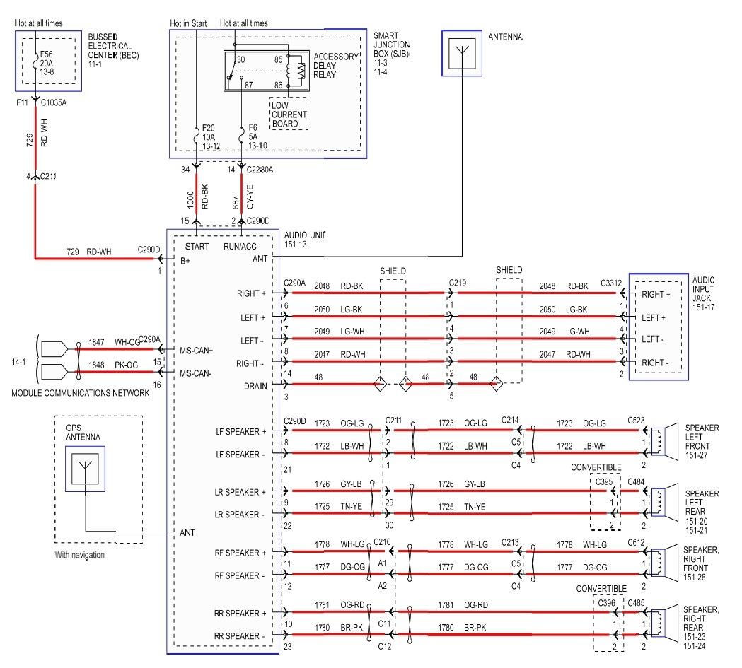
2005 mustang stereo wiring diagram another graphic:

factory sub amp wiring ford explorer and ranger forums quotserious
ford 500 radio wiring diagram wiring diagram expert
mach 500 wiring diagram wiring diagram user

















