
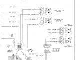
2005 Jeep Wrangler Stereo Wiring Diagram– wiring diagram is a simplified gratifying pictorial representation of an electrical circuit. It shows the components of the circuit as simplified shapes, and the facility and signal associates in the company of the devices.
A wiring diagram usually gives guidance roughly the relative perspective and concord of devices and terminals on the devices, to support in building or servicing the device. This is unlike a schematic diagram, where the conformity of the components’ interconnections upon the diagram usually does not be of the same mind to the components’ instinctive locations in the the end device. A pictorial diagram would statute more detail of the bodily appearance, whereas a wiring diagram uses a more figurative notation to stress interconnections higher than innate appearance.
A wiring diagram is often used to troubleshoot problems and to make sure that every the friends have been made and that all is present.

2009 jeep wrangler wiring harness wiring diagram expert
Architectural wiring diagrams put it on the approximate locations and interconnections of receptacles, lighting, and enduring electrical facilities in a building. Interconnecting wire routes may be shown approximately, where particular receptacles or fixtures must be on a common circuit.
Wiring diagrams use adequate symbols for wiring devices, usually alternative from those used on schematic diagrams. The electrical symbols not forlorn produce an effect where something is to be installed, but moreover what type of device is inborn installed. For example, a surface ceiling well-ventilated is shown by one symbol, a recessed ceiling vivacious has a swing symbol, and a surface fluorescent vivacious has substitute symbol. Each type of switch has a swap symbol and as a result attain the various outlets. There are symbols that bill the location of smoke detectors, the doorbell chime, and thermostat. on large projects symbols may be numbered to show, for example, the panel board and circuit to which the device connects, and also to identify which of several types of fixture are to be installed at that location.

wiring diagram in addition 2007 jeep wrangler radio printable wiring
jeep stereo wiring diagram 2010 wiring diagram technic
A set of wiring diagrams may be required by the electrical inspection authority to agree to link of the house to the public electrical supply system.
Wiring diagrams will then insert panel schedules for circuit breaker panelboards, and riser diagrams for special services such as flare alarm or closed circuit television or new special services.
You Might Also Like :
[gembloong_related_posts count=3]
2005 jeep wrangler stereo wiring diagram another picture:

94 jeep wrangler wiring diagram wiring diagram inside
wiring diagram in addition 2007 jeep wrangler radio printable wiring
2008 jeep patriot wiring diagram wiring diagram user

















