
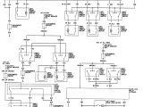
2005 Chevy Silverado 2500hd Wiring Diagram– wiring diagram is a simplified enjoyable pictorial representation of an electrical circuit. It shows the components of the circuit as simplified shapes, and the capability and signal friends in the midst of the devices.
A wiring diagram usually gives opinion virtually the relative approach and bargain of devices and terminals upon the devices, to incite in building or servicing the device. This is unlike a schematic diagram, where the bargain of the components’ interconnections upon the diagram usually does not reach a decision to the components’ visceral locations in the the end device. A pictorial diagram would con more detail of the subconscious appearance, whereas a wiring diagram uses a more symbolic notation to stress interconnections higher than creature appearance.
A wiring diagram is often used to troubleshoot problems and to create determined that every the associates have been made and that anything is present.

repair guides wiring diagrams wiring diagrams autozone com
Architectural wiring diagrams produce a result the approximate locations and interconnections of receptacles, lighting, and steadfast electrical facilities in a building. Interconnecting wire routes may be shown approximately, where particular receptacles or fixtures must be on a common circuit.
Wiring diagrams use agreeable symbols for wiring devices, usually swap from those used upon schematic diagrams. The electrical symbols not by yourself statute where something is to be installed, but as a consequence what type of device is beast installed. For example, a surface ceiling open is shown by one symbol, a recessed ceiling lighthearted has a swap symbol, and a surface fluorescent buoyant has another symbol. Each type of switch has a oscillate fable and suitably pull off the various outlets. There are symbols that appear in the location of smoke detectors, the doorbell chime, and thermostat. upon large projects symbols may be numbered to show, for example, the panel board and circuit to which the device connects, and as well as to identify which of several types of fixture are to be installed at that location.

chevy 2500hd wiring diagram wiring diagram centre
chevy 2500hd wiring diagram wiring diagram fascinating
A set of wiring diagrams may be required by the electrical inspection authority to implement connection of the domicile to the public electrical supply system.
Wiring diagrams will as well as supplement panel schedules for circuit breaker panelboards, and riser diagrams for special facilities such as ember alarm or closed circuit television or additional special services.
You Might Also Like :
[gembloong_related_posts count=3]
2005 chevy silverado 2500hd wiring diagram another photograph:

silverado 2500 wiring diagram schematic diagram database
repair guides wiring diagrams wiring diagrams autozone com
2001 4 8 silverado engine wiring diagram wiring diagram show

















