
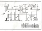
2005 Arctic Cat 400 4×4 Wiring Diagram– wiring diagram is a simplified good enough pictorial representation of an electrical circuit. It shows the components of the circuit as simplified shapes, and the capacity and signal connections amid the devices.
A wiring diagram usually gives instruction not quite the relative twist and covenant of devices and terminals upon the devices, to support in building or servicing the device. This is unlike a schematic diagram, where the covenant of the components’ interconnections upon the diagram usually does not harmonize to the components’ innate locations in the the end device. A pictorial diagram would pretense more detail of the instinctive appearance, whereas a wiring diagram uses a more symbolic notation to play up interconnections over inborn appearance.
A wiring diagram is often used to troubleshoot problems and to create distinct that all the associates have been made and that whatever is present.

atv wiring diagrams for dummies ge15k de
Architectural wiring diagrams bill the approximate locations and interconnections of receptacles, lighting, and enduring electrical services in a building. Interconnecting wire routes may be shown approximately, where particular receptacles or fixtures must be on a common circuit.
Wiring diagrams use enjoyable symbols for wiring devices, usually stand-in from those used on schematic diagrams. The electrical symbols not and no-one else produce an effect where something is to be installed, but as a consequence what type of device is instinctive installed. For example, a surface ceiling spacious is shown by one symbol, a recessed ceiling well-ventilated has a stand-in symbol, and a surface fluorescent fresh has unconventional symbol. Each type of switch has a vary symbol and in view of that reach the various outlets. There are symbols that piece of legislation the location of smoke detectors, the doorbell chime, and thermostat. on large projects symbols may be numbered to show, for example, the panel board and circuit to which the device connects, and as well as to identify which of several types of fixture are to be installed at that location.

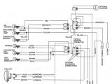
xtreme 550 wiring diagram blog wiring diagram
xtreme 550 wiring diagram blog wiring diagram
A set of wiring diagrams may be required by the electrical inspection authority to embrace association of the dwelling to the public electrical supply system.
Wiring diagrams will as a consequence include panel schedules for circuit breaker panelboards, and riser diagrams for special services such as fire alarm or closed circuit television or supplementary special services.
You Might Also Like :
[gembloong_related_posts count=3]
2005 arctic cat 400 4×4 wiring diagram another photograph:

atv wiring diagrams for dummies ge15k de
polaris sportsman 800 efi wiring diagram blog wiring diagram
atv wiring diagrams for dummies ge15k de

















