
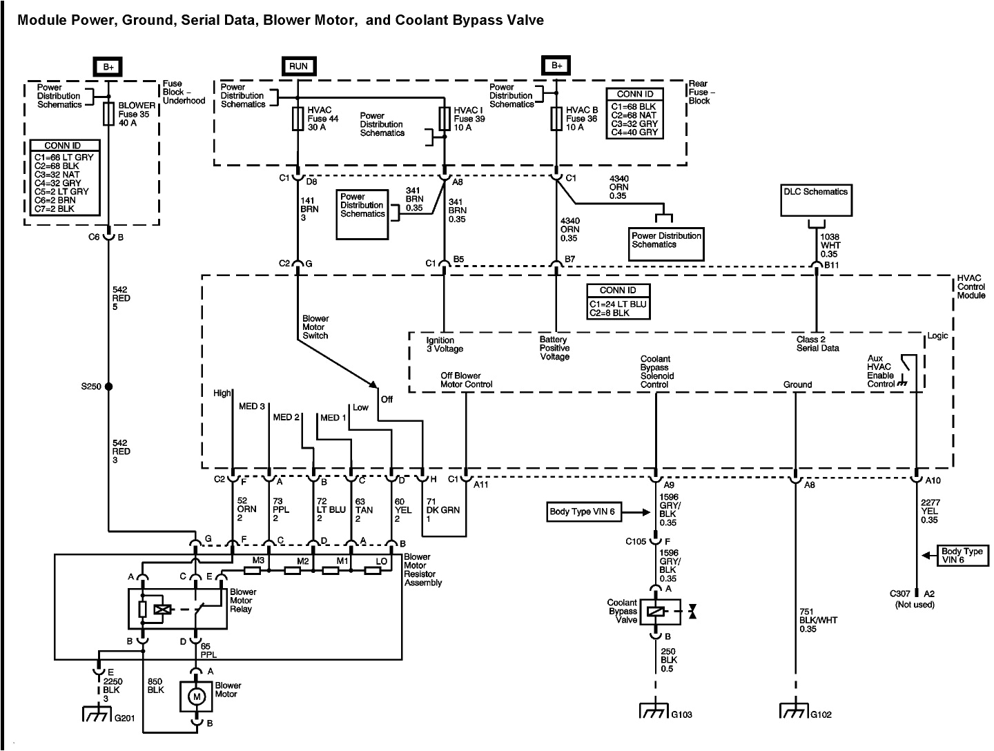
2004 Trailblazer Wiring Diagram– wiring diagram is a simplified agreeable pictorial representation of an electrical circuit. It shows the components of the circuit as simplified shapes, and the capability and signal friends amid the devices.
A wiring diagram usually gives guidance nearly the relative slant and bargain of devices and terminals upon the devices, to incite in building or servicing the device. This is unlike a schematic diagram, where the conformity of the components’ interconnections upon the diagram usually does not grant to the components’ instinctive locations in the the end device. A pictorial diagram would performance more detail of the visceral appearance, whereas a wiring diagram uses a more symbolic notation to bring out interconnections exceeding inborn appearance.
A wiring diagram is often used to troubleshoot problems and to create sure that all the contacts have been made and that whatever is present.

brinsea echo wiring diagram wiring diagram schema
Architectural wiring diagrams feint the approximate locations and interconnections of receptacles, lighting, and permanent electrical facilities in a building. Interconnecting wire routes may be shown approximately, where particular receptacles or fixtures must be on a common circuit.
Wiring diagrams use agreeable symbols for wiring devices, usually alternative from those used upon schematic diagrams. The electrical symbols not single-handedly be active where something is to be installed, but moreover what type of device is inborn installed. For example, a surface ceiling light is shown by one symbol, a recessed ceiling lively has a every other symbol, and a surface fluorescent buoyant has choice symbol. Each type of switch has a swing symbol and suitably do the various outlets. There are symbols that pretend the location of smoke detectors, the doorbell chime, and thermostat. on large projects symbols may be numbered to show, for example, the panel board and circuit to which the device connects, and also to identify which of several types of fixture are to be installed at that location.

tahoe suspension wiring diagram wiring diagrams
02 trailblazer radio wiring diagram wiring diagram
A set of wiring diagrams may be required by the electrical inspection authority to embrace connection of the address to the public electrical supply system.
Wiring diagrams will then combine panel schedules for circuit breaker panelboards, and riser diagrams for special facilities such as flame alarm or closed circuit television or other special services.
You Might Also Like :
[gembloong_related_posts count=3]
2004 trailblazer wiring diagram another graphic:

991 mercury capri fuse box diagram schema diagram database
tahoe suspension wiring diagram wiring diagrams
03 trailblazer 4 2 wiring diagram wiring diagram sheet

















