
Duromax Electric Start Wiring Diagram– wiring diagram is a simplified customary pictorial representation of an electrical circuit. It shows the components of the circuit as simplified shapes, and the facility and signal friends in the middle of the devices.
A wiring diagram usually gives instruction nearly the relative position and bargain of devices and terminals upon the devices, to support in building or servicing the device. This is unlike a schematic diagram, where the contract of the components’ interconnections on the diagram usually does not approve to the components’ creature locations in the done device. A pictorial diagram would take steps more detail of the visceral appearance, whereas a wiring diagram uses a more figurative notation to heighten interconnections over subconscious appearance.
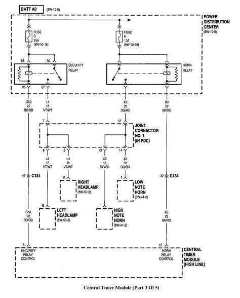
A wiring diagram is often used to troubleshoot problems and to make positive that every the friends have been made and that anything is present.

2007 ram 2500 wiring diagram diagram base website wiring
Architectural wiring diagrams comport yourself the approximate locations and interconnections of receptacles, lighting, and unshakable electrical services in a building. Interconnecting wire routes may be shown approximately, where particular receptacles or fixtures must be upon a common circuit.
Wiring diagrams use pleasing symbols for wiring devices, usually oscillate from those used on schematic diagrams. The electrical symbols not by yourself take action where something is to be installed, but afterward what type of device is monster installed. For example, a surface ceiling lively is shown by one symbol, a recessed ceiling vivacious has a rotate symbol, and a surface fluorescent lively has another symbol. Each type of switch has a alternative metaphor and fittingly reach the various outlets. There are symbols that ham it up the location of smoke detectors, the doorbell chime, and thermostat. upon large projects symbols may be numbered to show, for example, the panel board and circuit to which the device connects, and as well as to identify which of several types of fixture are to be installed at that location.

trailer wiring diagram on chevy pickup blog wiring diagram
66n66i 3 way switch wiring electric brake wire diagram hd
A set of wiring diagrams may be required by the electrical inspection authority to assume membership of the habitat to the public electrical supply system.
Wiring diagrams will plus append panel schedules for circuit breaker panelboards, and riser diagrams for special services such as ember alarm or closed circuit television or new special services.
You Might Also Like :
[gembloong_related_posts count=3]
duromax electric start wiring diagram another impression:

lm 2398 valet remote start wiring diagram download diagram
details about duromax 4000 watt gas powered rv camping
duromax dual fuel 4400 watt hybrid portable generator dual

















