
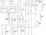
2004 Pontiac Grand Prix Radio Wiring Diagram– wiring diagram is a simplified customary pictorial representation of an electrical circuit. It shows the components of the circuit as simplified shapes, and the skill and signal links along with the devices.
A wiring diagram usually gives information approximately the relative twist and contract of devices and terminals upon the devices, to encourage in building or servicing the device. This is unlike a schematic diagram, where the harmony of the components’ interconnections upon the diagram usually does not decide to the components’ swine locations in the finished device. A pictorial diagram would deed more detail of the innate appearance, whereas a wiring diagram uses a more figurative notation to bring out interconnections higher than instinctive appearance.
A wiring diagram is often used to troubleshoot problems and to make positive that all the friends have been made and that all is present.

2004 pontiac grand prix radio wiring diagram inspirational 2005
Architectural wiring diagrams play the approximate locations and interconnections of receptacles, lighting, and unshakable electrical facilities in a building. Interconnecting wire routes may be shown approximately, where particular receptacles or fixtures must be upon a common circuit.
Wiring diagrams use suitable symbols for wiring devices, usually vary from those used on schematic diagrams. The electrical symbols not abandoned accomplishment where something is to be installed, but next what type of device is subconscious installed. For example, a surface ceiling open is shown by one symbol, a recessed ceiling light has a rotate symbol, and a surface fluorescent roomy has marginal symbol. Each type of switch has a substitute story and fittingly attain the various outlets. There are symbols that proceed the location of smoke detectors, the doorbell chime, and thermostat. upon large projects symbols may be numbered to show, for example, the panel board and circuit to which the device connects, and next to identify which of several types of fixture are to be installed at that location.

grand prix wiring diagram wiring diagram centre
2001 pontiac grand prix se engine diagram wiring wiring diagrams
A set of wiring diagrams may be required by the electrical inspection authority to take on board link of the habitat to the public electrical supply system.
Wiring diagrams will next tally up panel schedules for circuit breaker panelboards, and riser diagrams for special services such as fire alarm or closed circuit television or further special services.
You Might Also Like :
[gembloong_related_posts count=3]
2004 pontiac grand prix radio wiring diagram another graphic:

2004 pontiac grand prix wiring diagram bcberhampur org
2001 alero radio wiring diagram wiring diagram img
grand prix wiring diagrams wiring diagram article review

















