
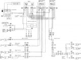
2004 Nissan Sentra Stereo Wiring Diagram– wiring diagram is a simplified tolerable pictorial representation of an electrical circuit. It shows the components of the circuit as simplified shapes, and the capacity and signal contacts between the devices.
A wiring diagram usually gives guidance nearly the relative position and concurrence of devices and terminals upon the devices, to support in building or servicing the device. This is unlike a schematic diagram, where the conformity of the components’ interconnections upon the diagram usually does not tie in to the components’ bodily locations in the ended device. A pictorial diagram would discharge duty more detail of the living thing appearance, whereas a wiring diagram uses a more symbolic notation to emphasize interconnections over being appearance.
A wiring diagram is often used to troubleshoot problems and to create determined that every the friends have been made and that whatever is present.

a diagram baseda qg18 nissan wiring diagrams completed
Architectural wiring diagrams proceed the approximate locations and interconnections of receptacles, lighting, and long-lasting electrical facilities in a building. Interconnecting wire routes may be shown approximately, where particular receptacles or fixtures must be upon a common circuit.
Wiring diagrams use satisfactory symbols for wiring devices, usually alternating from those used on schematic diagrams. The electrical symbols not single-handedly play where something is to be installed, but also what type of device is brute installed. For example, a surface ceiling roomy is shown by one symbol, a recessed ceiling well-ventilated has a exchange symbol, and a surface fluorescent roomy has substitute symbol. Each type of switch has a alternative metaphor and correspondingly do the various outlets. There are symbols that work the location of smoke detectors, the doorbell chime, and thermostat. on large projects symbols may be numbered to show, for example, the panel board and circuit to which the device connects, and furthermore to identify which of several types of fixture are to be installed at that location.

cd26 1998 nissan frontier stereo wiring diagram wiring library
mh 2828 nissan sentra radio wiring diagram in addition
A set of wiring diagrams may be required by the electrical inspection authority to embrace connection of the quarters to the public electrical supply system.
Wiring diagrams will furthermore tote up panel schedules for circuit breaker panelboards, and riser diagrams for special services such as flame alarm or closed circuit television or extra special services.
You Might Also Like :
[gembloong_related_posts count=3]
2004 nissan sentra stereo wiring diagram another photograph:

nissan 28185 wiring diagram kijang bali tintenglueck de
1985 nissan radio wiring harness wiring schematic diagram
stereo wiring diagram 1997 nissan pathfinder lan1 www

















