
2004 ford Explorer Ignition Wiring Diagram– wiring diagram is a simplified welcome pictorial representation of an electrical circuit. It shows the components of the circuit as simplified shapes, and the skill and signal associates in the middle of the devices.
A wiring diagram usually gives information just about the relative incline and covenant of devices and terminals upon the devices, to put up to in building or servicing the device. This is unlike a schematic diagram, where the arrangement of the components’ interconnections on the diagram usually does not correspond to the components’ being locations in the over and done with device. A pictorial diagram would produce an effect more detail of the innate appearance, whereas a wiring diagram uses a more figurative notation to bring out interconnections higher than swine appearance.
A wiring diagram is often used to troubleshoot problems and to create distinct that all the friends have been made and that everything is present.

91 ford jbl wiring wiring diagram page
Architectural wiring diagrams feint the approximate locations and interconnections of receptacles, lighting, and enduring electrical facilities in a building. Interconnecting wire routes may be shown approximately, where particular receptacles or fixtures must be upon a common circuit.
Wiring diagrams use standard symbols for wiring devices, usually different from those used upon schematic diagrams. The electrical symbols not single-handedly perform where something is to be installed, but as a consequence what type of device is creature installed. For example, a surface ceiling spacious is shown by one symbol, a recessed ceiling light has a every second symbol, and a surface fluorescent roomy has different symbol. Each type of switch has a alternating symbol and thus reach the various outlets. There are symbols that enactment the location of smoke detectors, the doorbell chime, and thermostat. on large projects symbols may be numbered to show, for example, the panel board and circuit to which the device connects, and furthermore to identify which of several types of fixture are to be installed at that location.

ford explorer 2004 ford explorer trailer wiring caroldoey data
wiring diagram furthermore 1996 ford explorer power window wiring
A set of wiring diagrams may be required by the electrical inspection authority to espouse association of the house to the public electrical supply system.
Wiring diagrams will also include panel schedules for circuit breaker panelboards, and riser diagrams for special services such as flame alarm or closed circuit television or new special services.
You Might Also Like :
[gembloong_related_posts count=3]
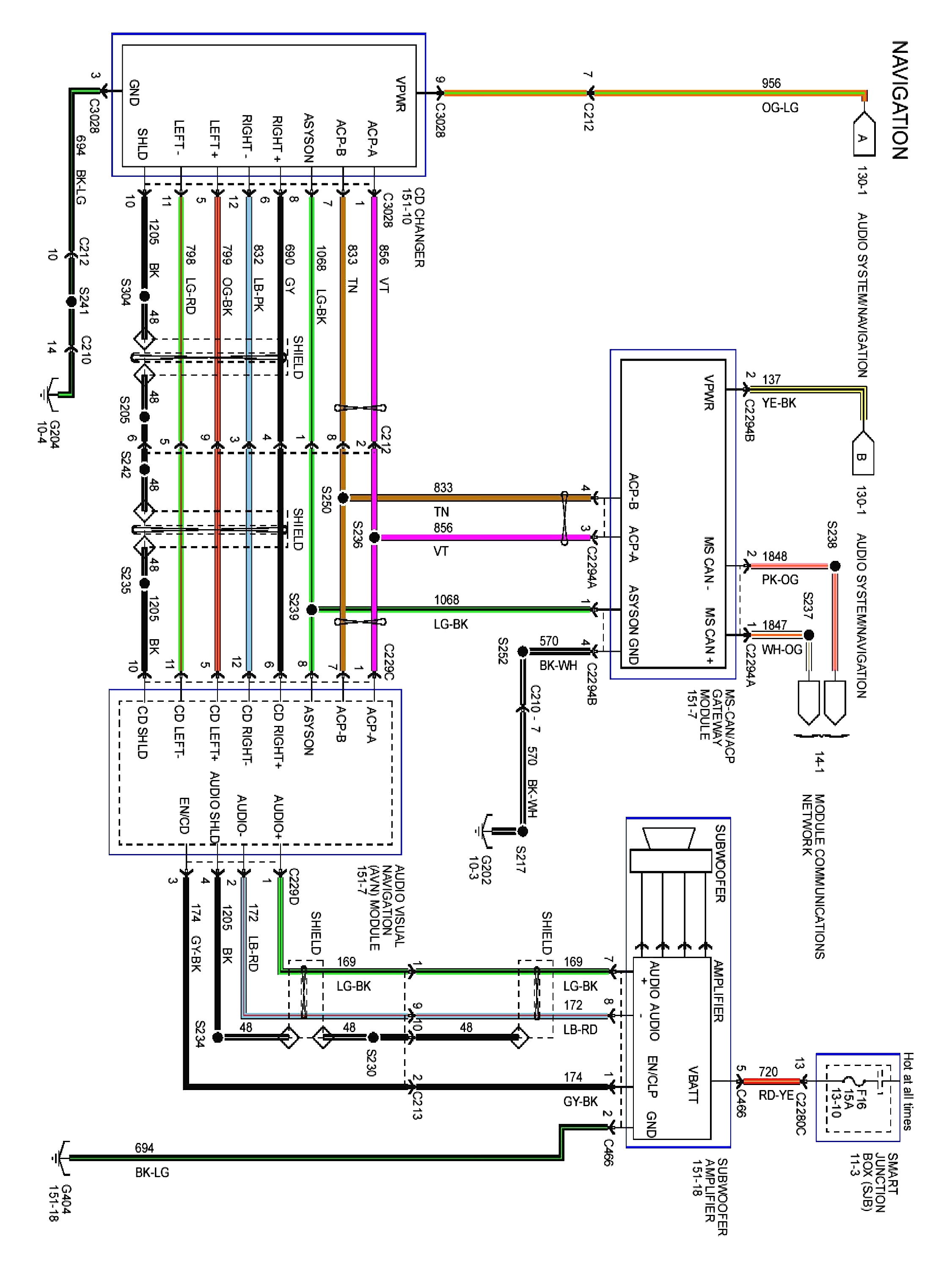
2004 ford explorer ignition wiring diagram another graphic:

1997 ford wiring diagrams ac premium wiring diagram blog
wiring diagram for 1996 ford explorer wiring diagram files
cluster wiring harness diagram 2002 ford explorer xlt wiring

















