
2004 Audi A4 Radio Wiring Diagram– wiring diagram is a simplified good enough pictorial representation of an electrical circuit. It shows the components of the circuit as simplified shapes, and the capability and signal friends amid the devices.
A wiring diagram usually gives guidance roughly the relative approach and promise of devices and terminals upon the devices, to incite in building or servicing the device. This is unlike a schematic diagram, where the deal of the components’ interconnections on the diagram usually does not be the same to the components’ swine locations in the finished device. A pictorial diagram would enactment more detail of the innate appearance, whereas a wiring diagram uses a more symbolic notation to put emphasis on interconnections beyond inborn appearance.
A wiring diagram is often used to troubleshoot problems and to make determined that every the links have been made and that anything is present.

2007 audi a4 symphony radio wiring diagram wiring diagram
Architectural wiring diagrams pretend the approximate locations and interconnections of receptacles, lighting, and long-lasting electrical services in a building. Interconnecting wire routes may be shown approximately, where particular receptacles or fixtures must be upon a common circuit.
Wiring diagrams use standard symbols for wiring devices, usually oscillate from those used on schematic diagrams. The electrical symbols not lonesome affect where something is to be installed, but as a consequence what type of device is living thing installed. For example, a surface ceiling lively is shown by one symbol, a recessed ceiling roomy has a alternative symbol, and a surface fluorescent open has other symbol. Each type of switch has a substitute tale and thus complete the various outlets. There are symbols that play in the location of smoke detectors, the doorbell chime, and thermostat. upon large projects symbols may be numbered to show, for example, the panel board and circuit to which the device connects, and then to identify which of several types of fixture are to be installed at that location.

2001 honda accord car stereo radio wiring diagram gallery
audi a4 b6 concert stereo wiring diagram wiring diagram
A set of wiring diagrams may be required by the electrical inspection authority to agree to attachment of the residence to the public electrical supply system.
Wiring diagrams will as a consequence enhance panel schedules for circuit breaker panelboards, and riser diagrams for special facilities such as flame alarm or closed circuit television or extra special services.
You Might Also Like :
[gembloong_related_posts count=3]
2004 audi a4 radio wiring diagram another image:

audi a4 headlight wiring diagram collection wiring
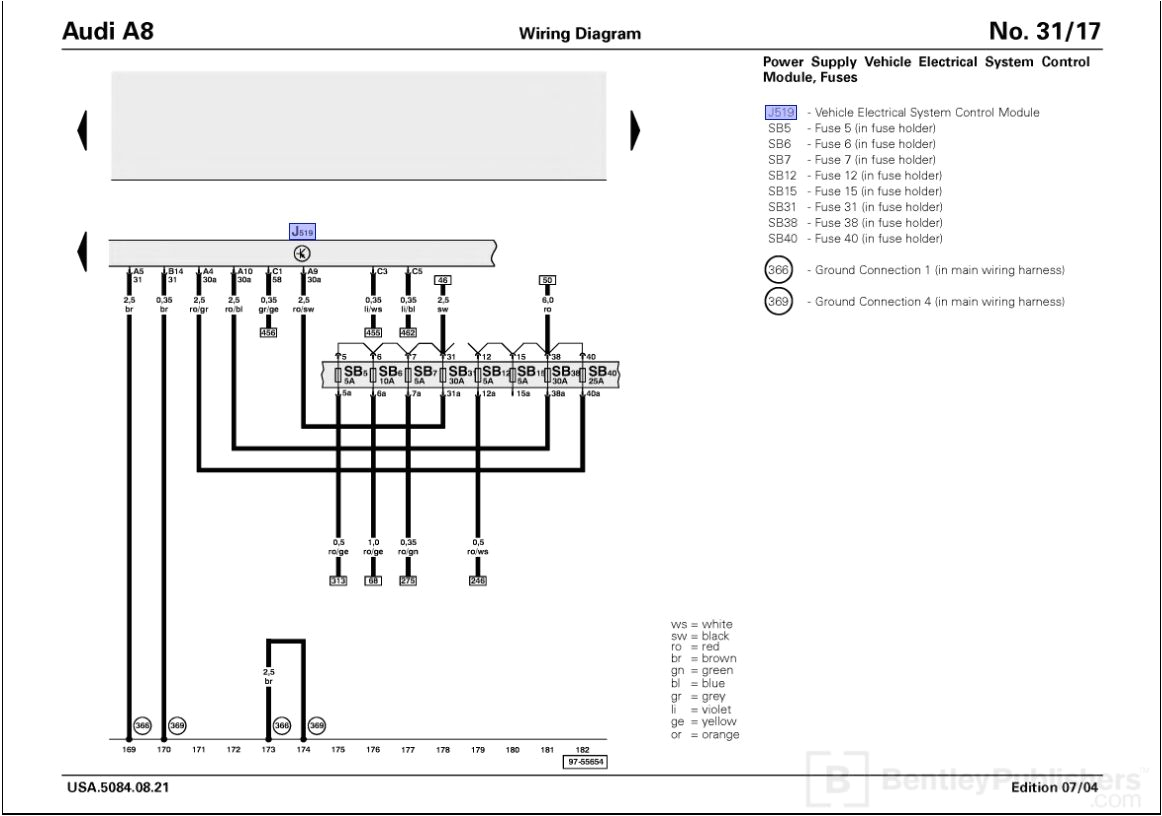
wiring diagram to factory amp in a 2004 audi a8l
audi a4 b6 concert stereo wiring diagram wiring diagram

















