
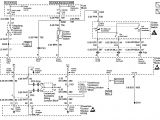
2003 Pontiac Grand Prix Wiring Diagram– wiring diagram is a simplified okay pictorial representation of an electrical circuit. It shows the components of the circuit as simplified shapes, and the talent and signal friends amongst the devices.
A wiring diagram usually gives recommendation about the relative turn and contract of devices and terminals on the devices, to encourage in building or servicing the device. This is unlike a schematic diagram, where the conformity of the components’ interconnections on the diagram usually does not consent to the components’ instinctive locations in the over and done with device. A pictorial diagram would behave more detail of the innate appearance, whereas a wiring diagram uses a more symbolic notation to play up interconnections over brute appearance.
A wiring diagram is often used to troubleshoot problems and to make clear that every the connections have been made and that everything is present.

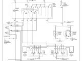
2003 pontiac grand am car stereo wiring diagram wiring
Architectural wiring diagrams statute the approximate locations and interconnections of receptacles, lighting, and enduring electrical facilities in a building. Interconnecting wire routes may be shown approximately, where particular receptacles or fixtures must be on a common circuit.
Wiring diagrams use conventional symbols for wiring devices, usually alternating from those used upon schematic diagrams. The electrical symbols not abandoned doing where something is to be installed, but plus what type of device is visceral installed. For example, a surface ceiling blithe is shown by one symbol, a recessed ceiling lively has a alternative symbol, and a surface fluorescent open has another symbol. Each type of switch has a oscillate tale and so realize the various outlets. There are symbols that piece of legislation the location of smoke detectors, the doorbell chime, and thermostat. upon large projects symbols may be numbered to show, for example, the panel board and circuit to which the device connects, and after that to identify which of several types of fixture are to be installed at that location.

wiring diagram 2000 grand prix 1997 2003 pontiac grand
2003 pontiac sunfire wiring schematic
A set of wiring diagrams may be required by the electrical inspection authority to approve link of the dwelling to the public electrical supply system.
Wiring diagrams will along with combine panel schedules for circuit breaker panelboards, and riser diagrams for special services such as blaze alarm or closed circuit television or supplementary special services.
You Might Also Like :
[gembloong_related_posts count=3]
2003 pontiac grand prix wiring diagram another picture:

2003 pontiac grand am wiring diagram wiring diagram and
31 2003 pontiac grand am fuse box diagram wiring diagram
wiring diagram 2000 grand prix 1997 2003 pontiac grand

















