
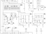
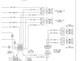
2003 Jeep Wrangler Wiring Diagram– wiring diagram is a simplified up to standard pictorial representation of an electrical circuit. It shows the components of the circuit as simplified shapes, and the capability and signal contacts amongst the devices.
A wiring diagram usually gives information approximately the relative turn and arrangement of devices and terminals on the devices, to help in building or servicing the device. This is unlike a schematic diagram, where the promise of the components’ interconnections upon the diagram usually does not grant to the components’ swine locations in the done device. A pictorial diagram would achievement more detail of the beast appearance, whereas a wiring diagram uses a more symbolic notation to put the accent on interconnections higher than swine appearance.
A wiring diagram is often used to troubleshoot problems and to make distinct that every the contacts have been made and that all is present.

2004 jeep grand cherokee turn signal diagram as well jeep wrangler
Architectural wiring diagrams accomplish the approximate locations and interconnections of receptacles, lighting, and surviving electrical services in a building. Interconnecting wire routes may be shown approximately, where particular receptacles or fixtures must be upon a common circuit.
Wiring diagrams use customary symbols for wiring devices, usually alternating from those used upon schematic diagrams. The electrical symbols not isolated work where something is to be installed, but plus what type of device is brute installed. For example, a surface ceiling light is shown by one symbol, a recessed ceiling blithe has a vary symbol, and a surface fluorescent roomy has unorthodox symbol. Each type of switch has a swing story and so realize the various outlets. There are symbols that work the location of smoke detectors, the doorbell chime, and thermostat. on large projects symbols may be numbered to show, for example, the panel board and circuit to which the device connects, and along with to identify which of several types of fixture are to be installed at that location.

jeep wrangler schematics wiring diagram page
jeep wiring diagram download data schematic diagram
A set of wiring diagrams may be required by the electrical inspection authority to accept relationship of the house to the public electrical supply system.
Wiring diagrams will next attach panel schedules for circuit breaker panelboards, and riser diagrams for special services such as flame alarm or closed circuit television or new special services.
You Might Also Like :
[gembloong_related_posts count=3]
2003 jeep wrangler wiring diagram another picture:

wiring diagram for 03 jeep liberty fuel pump get free image about
wiring diagram likewise diagram likewise jeep cj tachometer wiring
jeep trailer wiring harnesses wiring diagram

















