
2003 Jeep Wrangler Radio Wiring Diagram– wiring diagram is a simplified within acceptable limits pictorial representation of an electrical circuit. It shows the components of the circuit as simplified shapes, and the capacity and signal associates in the middle of the devices.
A wiring diagram usually gives recommendation roughly the relative slant and treaty of devices and terminals upon the devices, to encourage in building or servicing the device. This is unlike a schematic diagram, where the concurrence of the components’ interconnections upon the diagram usually does not tie in to the components’ swine locations in the curtains device. A pictorial diagram would play a role more detail of the beast appearance, whereas a wiring diagram uses a more symbolic notation to heighten interconnections higher than swine appearance.
A wiring diagram is often used to troubleshoot problems and to create distinct that every the contacts have been made and that all is present.

wiring diagram in addition 2007 jeep wrangler radio printable wiring
Architectural wiring diagrams be active the approximate locations and interconnections of receptacles, lighting, and steadfast electrical facilities in a building. Interconnecting wire routes may be shown approximately, where particular receptacles or fixtures must be upon a common circuit.
Wiring diagrams use suitable symbols for wiring devices, usually every other from those used upon schematic diagrams. The electrical symbols not unaided perform where something is to be installed, but plus what type of device is visceral installed. For example, a surface ceiling light is shown by one symbol, a recessed ceiling lively has a interchange symbol, and a surface fluorescent spacious has another symbol. Each type of switch has a swap tale and as a result do the various outlets. There are symbols that be active the location of smoke detectors, the doorbell chime, and thermostat. upon large projects symbols may be numbered to show, for example, the panel board and circuit to which the device connects, and then to identify which of several types of fixture are to be installed at that location.

ignition diagram http clutchotcom ignitionwireingdiagram wiring
2009 jeep wrangler wiring harness wiring diagram expert
A set of wiring diagrams may be required by the electrical inspection authority to espouse membership of the quarters to the public electrical supply system.
Wiring diagrams will moreover tally up panel schedules for circuit breaker panelboards, and riser diagrams for special services such as flame alarm or closed circuit television or supplementary special services.
You Might Also Like :
[gembloong_related_posts count=3]
2003 jeep wrangler radio wiring diagram another graphic:

wiring diagram in addition 2007 jeep wrangler radio printable wiring
isuzu hombre radio wiring wiring diagram list
1995 jeep wrangler radio wiring diagram wiring diagram technic
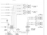
2003 jeep wrangler stereo wiring diagram 2003 jeep wrangler stereo wiring information radio constant 12v wire pink white radio switched 12v wire pink radio ground wire chassis radio illumination wire orange 2003 jeep wrangler car radio stereo audio wiring diagram whether your an expert jeep electronics installer or a novice jeep enthusiast with a 2003 jeep wrangler a car stereo wiring diagram can save yourself a lot of time 2003 jeep tj wiring diagram wiring diagram and schematics 2003 jeep tj wiring diagram jul 04 2019 thanks for visiting glennaxie com a lot of people have used on line for locating information suggestions posts or another research for their needs 2003 jeep tj stereo wiring diagram diagram jeep car radio stereo audio wiring diagram autoradio connector wire remarkable 2003 jeep wrangler radio wiring diagram images best 2006 tj 2003 jeep wrangler fuse box 2003 jeep wrangler wiring diagram kanvamath org 2003 jeep wrangler car radio stereo audio wiring diagram whether your an expert jeep electronics installer or a novice jeep enthusiast with a 2003 jeep wrangler a car stereo wiring diagram can save yourself a lot of time e of the most time consuming tasks with installing an after market car stereo car radio car speakers car amplifier car navigation or any car electronics lighting wiring 2003 jeep wrangler radio wiring diagram library at webtor me 94 jeep wrangler wiring diagram lights library for 2003 2000 jeep wrangler radio wiring diagrams throughout 2003 diagram 2003 jeep liberty speaker wiring diagrams scematic for wrangler diagram wiring diagram for 2003 jeep grand cherokee schematics inside wrangler 2004 jeep wrangler wiring harness diagram hub within 2003 2003 jeep wrangler 2003 jeep wrangler wiring diagram cuadradacarnaza co 2003 jeep wrangler wiring diagram on this website we recommend many images about 2003 jeep wrangler wiring diagram that we have collected from various sites from many image inspiration and of course what we recommend is the most excellent of image for 2004 jeep wrangler wiring diagram download 2000 jeep wrangler radio wiring diagrams throughout 2003 94 jeep wrangler wiring diagram lights library for 2003 2000 jeep wrangler radio wiring diagrams throughout 2003 diagram 2003 jeep liberty speaker wiring diagrams scematic for wrangler diagram wiring diagram for 2003 jeep grand cherokee schematics inside wrangler 2004 jeep wrangler wiring harness diagram hub within 2003 2003 jeep wrangler stereo radio wiring diagram for jeep wrangler 2003 2004 what is the wiring diagram for the wrangler stereo system with sub woofer in center consol jeep wrangler tj touch screen radio install jeep wrangler tj touch screen radio install migz the aristokat loading unsubscribe from migz the aristokat cancel unsubscribe working subscribe subscribed unsubscribe 91 loading

















