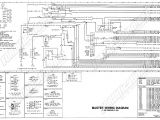
2003 ford F150 Headlight Wiring Diagram


Warning: count(): Parameter must be an array or an object that implements Countable in /var/www/html/autocardesign.org/wp-content/themes/silegan-wordpress-theme/inc/themeson.class.php on line 625
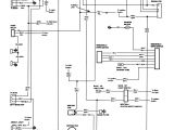
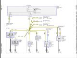
2003 ford F150 Headlight Wiring Diagram 1999 F 800 Wiring Diagram Blog Wiring Diagram
2003 ford F150 Headlight Wiring Diagram 1999 F 800 Wiring Diagram Blog Wiring Diagram