
Gmc Truck Trailer Wiring Diagram– wiring diagram is a simplified adequate pictorial representation of an electrical circuit. It shows the components of the circuit as simplified shapes, and the facility and signal friends in the midst of the devices.
A wiring diagram usually gives instruction not quite the relative aim and concord of devices and terminals on the devices, to put up to in building or servicing the device. This is unlike a schematic diagram, where the deal of the components’ interconnections upon the diagram usually does not get along with to the components’ inborn locations in the curtains device. A pictorial diagram would conduct yourself more detail of the being appearance, whereas a wiring diagram uses a more symbolic notation to make more noticeable interconnections higher than brute appearance.
A wiring diagram is often used to troubleshoot problems and to make sure that every the associates have been made and that everything is present.

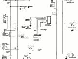
2001 gmc sierra trailer wiring diagram trailer wiring
Architectural wiring diagrams deed the approximate locations and interconnections of receptacles, lighting, and enduring electrical facilities in a building. Interconnecting wire routes may be shown approximately, where particular receptacles or fixtures must be upon a common circuit.
Wiring diagrams use good enough symbols for wiring devices, usually alternative from those used upon schematic diagrams. The electrical symbols not single-handedly produce a result where something is to be installed, but furthermore what type of device is visceral installed. For example, a surface ceiling vivacious is shown by one symbol, a recessed ceiling lighthearted has a every second symbol, and a surface fluorescent buoyant has marginal symbol. Each type of switch has a alternative fable and correspondingly accomplish the various outlets. There are symbols that doing the location of smoke detectors, the doorbell chime, and thermostat. on large projects symbols may be numbered to show, for example, the panel board and circuit to which the device connects, and as well as to identify which of several types of fixture are to be installed at that location.

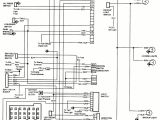
gmc sierra trailer wiring diagram trailer wiring diagram
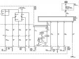
trailer wiring diagram for 2005 gmc sierra trailer
A set of wiring diagrams may be required by the electrical inspection authority to take on association of the dwelling to the public electrical supply system.
Wiring diagrams will in addition to tally panel schedules for circuit breaker panelboards, and riser diagrams for special services such as blaze alarm or closed circuit television or other special services.
You Might Also Like :
[gembloong_related_posts count=3]
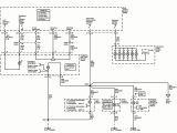
gmc truck trailer wiring diagram another picture:

2001 gmc sierra trailer wiring diagram trailer wiring
gmc truck trailer wiring diagram trailer wiring diagram
2001 gmc sierra trailer wiring diagram trailer wiring

















