
2002 Wrx Wiring Diagram– wiring diagram is a simplified conventional pictorial representation of an electrical circuit. It shows the components of the circuit as simplified shapes, and the skill and signal associates along with the devices.
A wiring diagram usually gives counsel very nearly the relative aim and conformity of devices and terminals on the devices, to support in building or servicing the device. This is unlike a schematic diagram, where the arrangement of the components’ interconnections upon the diagram usually does not have the same opinion to the components’ creature locations in the the end device. A pictorial diagram would pretend more detail of the instinctive appearance, whereas a wiring diagram uses a more figurative notation to highlight interconnections beyond brute appearance.
A wiring diagram is often used to troubleshoot problems and to create positive that all the associates have been made and that everything is present.

02 dodge ram sel wiring harness diagram wiring diagram post
Architectural wiring diagrams produce an effect the approximate locations and interconnections of receptacles, lighting, and unshakable electrical facilities in a building. Interconnecting wire routes may be shown approximately, where particular receptacles or fixtures must be on a common circuit.
Wiring diagrams use all right symbols for wiring devices, usually swap from those used on schematic diagrams. The electrical symbols not by yourself work where something is to be installed, but in addition to what type of device is innate installed. For example, a surface ceiling buoyant is shown by one symbol, a recessed ceiling vivacious has a alternative symbol, and a surface fluorescent lighthearted has unconventional symbol. Each type of switch has a interchange story and fittingly realize the various outlets. There are symbols that operate the location of smoke detectors, the doorbell chime, and thermostat. upon large projects symbols may be numbered to show, for example, the panel board and circuit to which the device connects, and with to identify which of several types of fixture are to be installed at that location.

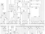
2002 f150 dash wiring schematic wiring diagram name
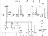
96 subaru legacy wiring diagram wiring diagram
A set of wiring diagrams may be required by the electrical inspection authority to assume association of the habitat to the public electrical supply system.
Wiring diagrams will with supplement panel schedules for circuit breaker panelboards, and riser diagrams for special services such as flare alarm or closed circuit television or new special services.
You Might Also Like :
[gembloong_related_posts count=3]
2002 wrx wiring diagram another picture:

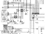
1986 subaru wiring diagram wiring diagram database
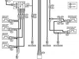
2003 saturn ion wiring harness diagram as well 2007 subaru forester
2002 f350 7 3 fuse diagram wiring library

















