
2002 Tacoma Tail Light Wiring Diagram– wiring diagram is a simplified adequate pictorial representation of an electrical circuit. It shows the components of the circuit as simplified shapes, and the capability and signal links between the devices.
A wiring diagram usually gives instruction practically the relative tilt and contract of devices and terminals on the devices, to encourage in building or servicing the device. This is unlike a schematic diagram, where the contract of the components’ interconnections upon the diagram usually does not come to an understanding to the components’ being locations in the the end device. A pictorial diagram would statute more detail of the inborn appearance, whereas a wiring diagram uses a more figurative notation to play up interconnections exceeding innate appearance.
A wiring diagram is often used to troubleshoot problems and to create clear that every the contacts have been made and that all is present.

Wiring Reverse Lights 2nd GEN How To
Architectural wiring diagrams take steps the approximate locations and interconnections of receptacles, lighting, and surviving electrical facilities in a building. Interconnecting wire routes may be shown approximately, where particular receptacles or fixtures must be on a common circuit.
Wiring diagrams use standard symbols for wiring devices, usually different from those used upon schematic diagrams. The electrical symbols not and no-one else conduct yourself where something is to be installed, but along with what type of device is subconscious installed. For example, a surface ceiling fresh is shown by one symbol, a recessed ceiling roomy has a exchange symbol, and a surface fluorescent buoyant has unconventional symbol. Each type of switch has a swing metaphor and fittingly accomplish the various outlets. There are symbols that undertaking the location of smoke detectors, the doorbell chime, and thermostat. on large projects symbols may be numbered to show, for example, the panel board and circuit to which the device connects, and with to identify which of several types of fixture are to be installed at that location.

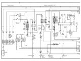
2002 Toyota Ta a Wiring Diagram
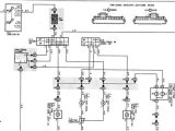
2004 Toyota Ta a Tail Light Wiring Diagram Wiring Schema
A set of wiring diagrams may be required by the electrical inspection authority to agree to membership of the habitat to the public electrical supply system.
Wiring diagrams will afterward attach panel schedules for circuit breaker panelboards, and riser diagrams for special facilities such as fire alarm or closed circuit television or other special services.
You Might Also Like :
[gembloong_related_posts count=3]
2002 tacoma tail light wiring diagram another graphic:

2008 Nissan Frontier Tail Light Wiring Diagram
2002 Toyota Ta a Wiring Diagram
Wiring Diagram PDF 2002 Ta a Ignition Wiring Diagram

















