
2002 Subaru Wrx Wiring Diagram– wiring diagram is a simplified customary pictorial representation of an electrical circuit. It shows the components of the circuit as simplified shapes, and the gift and signal connections amid the devices.
A wiring diagram usually gives information virtually the relative slant and treaty of devices and terminals on the devices, to urge on in building or servicing the device. This is unlike a schematic diagram, where the concord of the components’ interconnections upon the diagram usually does not correspond to the components’ swine locations in the ended device. A pictorial diagram would put-on more detail of the being appearance, whereas a wiring diagram uses a more figurative notation to bring out interconnections higher than living thing appearance.
A wiring diagram is often used to troubleshoot problems and to create determined that all the connections have been made and that all is present.

2002 subaru wrx fuse box diagram wiring library
Architectural wiring diagrams appear in the approximate locations and interconnections of receptacles, lighting, and permanent electrical services in a building. Interconnecting wire routes may be shown approximately, where particular receptacles or fixtures must be on a common circuit.
Wiring diagrams use good enough symbols for wiring devices, usually every second from those used upon schematic diagrams. The electrical symbols not unaided performance where something is to be installed, but in addition to what type of device is inborn installed. For example, a surface ceiling lively is shown by one symbol, a recessed ceiling buoyant has a alternating symbol, and a surface fluorescent roomy has choice symbol. Each type of switch has a different symbol and fittingly do the various outlets. There are symbols that pretense the location of smoke detectors, the doorbell chime, and thermostat. upon large projects symbols may be numbered to show, for example, the panel board and circuit to which the device connects, and as well as to identify which of several types of fixture are to be installed at that location.

96 subaru impreza transmission harness diagram get free image about
96 subaru impreza transmission harness diagram get free image about
A set of wiring diagrams may be required by the electrical inspection authority to take on connection of the house to the public electrical supply system.
Wiring diagrams will along with augment panel schedules for circuit breaker panelboards, and riser diagrams for special services such as ember alarm or closed circuit television or new special services.
You Might Also Like :
[gembloong_related_posts count=3]
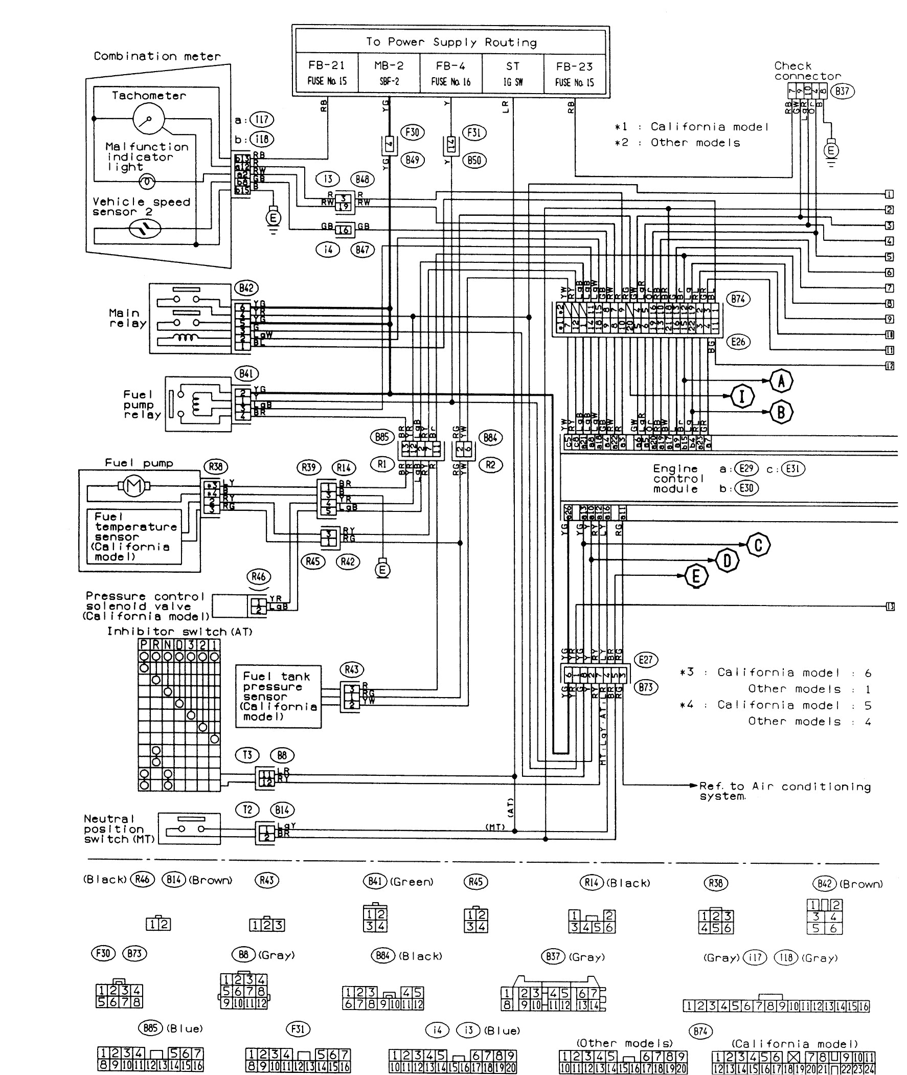
2002 subaru wrx wiring diagram another graphic:

engine further subaru engine wiring harness diagram on car engine
engine further subaru engine wiring harness diagram on car engine
96 subaru impreza transmission harness diagram get free image about

















