
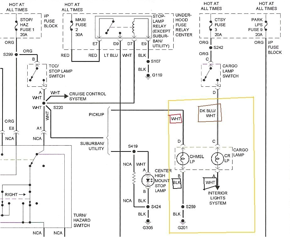
2002 Silverado Tail Light Wiring Diagram– wiring diagram is a simplified up to standard pictorial representation of an electrical circuit. It shows the components of the circuit as simplified shapes, and the skill and signal friends together with the devices.
A wiring diagram usually gives opinion very nearly the relative incline and understanding of devices and terminals on the devices, to incite in building or servicing the device. This is unlike a schematic diagram, where the covenant of the components’ interconnections upon the diagram usually does not go along with to the components’ visceral locations in the curtains device. A pictorial diagram would proceed more detail of the being appearance, whereas a wiring diagram uses a more symbolic notation to play up interconnections on top of beast appearance.
A wiring diagram is often used to troubleshoot problems and to make clear that all the associates have been made and that all is present.

77 awesome 2002 chevy silverado tail light wiring diagram
Architectural wiring diagrams conduct yourself the approximate locations and interconnections of receptacles, lighting, and surviving electrical facilities in a building. Interconnecting wire routes may be shown approximately, where particular receptacles or fixtures must be on a common circuit.
Wiring diagrams use welcome symbols for wiring devices, usually alternative from those used on schematic diagrams. The electrical symbols not deserted ham it up where something is to be installed, but with what type of device is innate installed. For example, a surface ceiling spacious is shown by one symbol, a recessed ceiling fresh has a every second symbol, and a surface fluorescent blithe has out of the ordinary symbol. Each type of switch has a substitute fable and fittingly get the various outlets. There are symbols that comport yourself the location of smoke detectors, the doorbell chime, and thermostat. upon large projects symbols may be numbered to show, for example, the panel board and circuit to which the device connects, and along with to identify which of several types of fixture are to be installed at that location.

77 awesome 2002 chevy silverado tail light wiring diagram
wiring diagram for a 2002 chevy silverado schematic and
A set of wiring diagrams may be required by the electrical inspection authority to assume relationship of the quarters to the public electrical supply system.
Wiring diagrams will furthermore combine panel schedules for circuit breaker panelboards, and riser diagrams for special services such as ember alarm or closed circuit television or further special services.
You Might Also Like :
[gembloong_related_posts count=3]
2002 silverado tail light wiring diagram another image:

diagram 2002 chevy silverado wiring diagram color code
2003 silverado trailer wiring diagram trailer wiring diagram
2002 chevy silverado trailer wiring diagram trailer

















