
2002 Jeep Grand Cherokee Cooling Fan Wiring Diagram– wiring diagram is a simplified satisfactory pictorial representation of an electrical circuit. It shows the components of the circuit as simplified shapes, and the gift and signal associates surrounded by the devices.
A wiring diagram usually gives opinion roughly the relative turn and covenant of devices and terminals upon the devices, to back up in building or servicing the device. This is unlike a schematic diagram, where the promise of the components’ interconnections on the diagram usually does not come to an agreement to the components’ mammal locations in the ended device. A pictorial diagram would play-act more detail of the subconscious appearance, whereas a wiring diagram uses a more symbolic notation to highlight interconnections higher than innate appearance.
A wiring diagram is often used to troubleshoot problems and to make distinct that every the friends have been made and that everything is present.

94cfea 2002 jeep wiring diagram ebook databases
Architectural wiring diagrams ham it up the approximate locations and interconnections of receptacles, lighting, and long-lasting electrical facilities in a building. Interconnecting wire routes may be shown approximately, where particular receptacles or fixtures must be on a common circuit.
Wiring diagrams use conventional symbols for wiring devices, usually alternating from those used on schematic diagrams. The electrical symbols not by yourself act out where something is to be installed, but afterward what type of device is being installed. For example, a surface ceiling blithe is shown by one symbol, a recessed ceiling well-ventilated has a substitute symbol, and a surface fluorescent roomy has choice symbol. Each type of switch has a different fable and consequently complete the various outlets. There are symbols that sham the location of smoke detectors, the doorbell chime, and thermostat. upon large projects symbols may be numbered to show, for example, the panel board and circuit to which the device connects, and in addition to to identify which of several types of fixture are to be installed at that location.

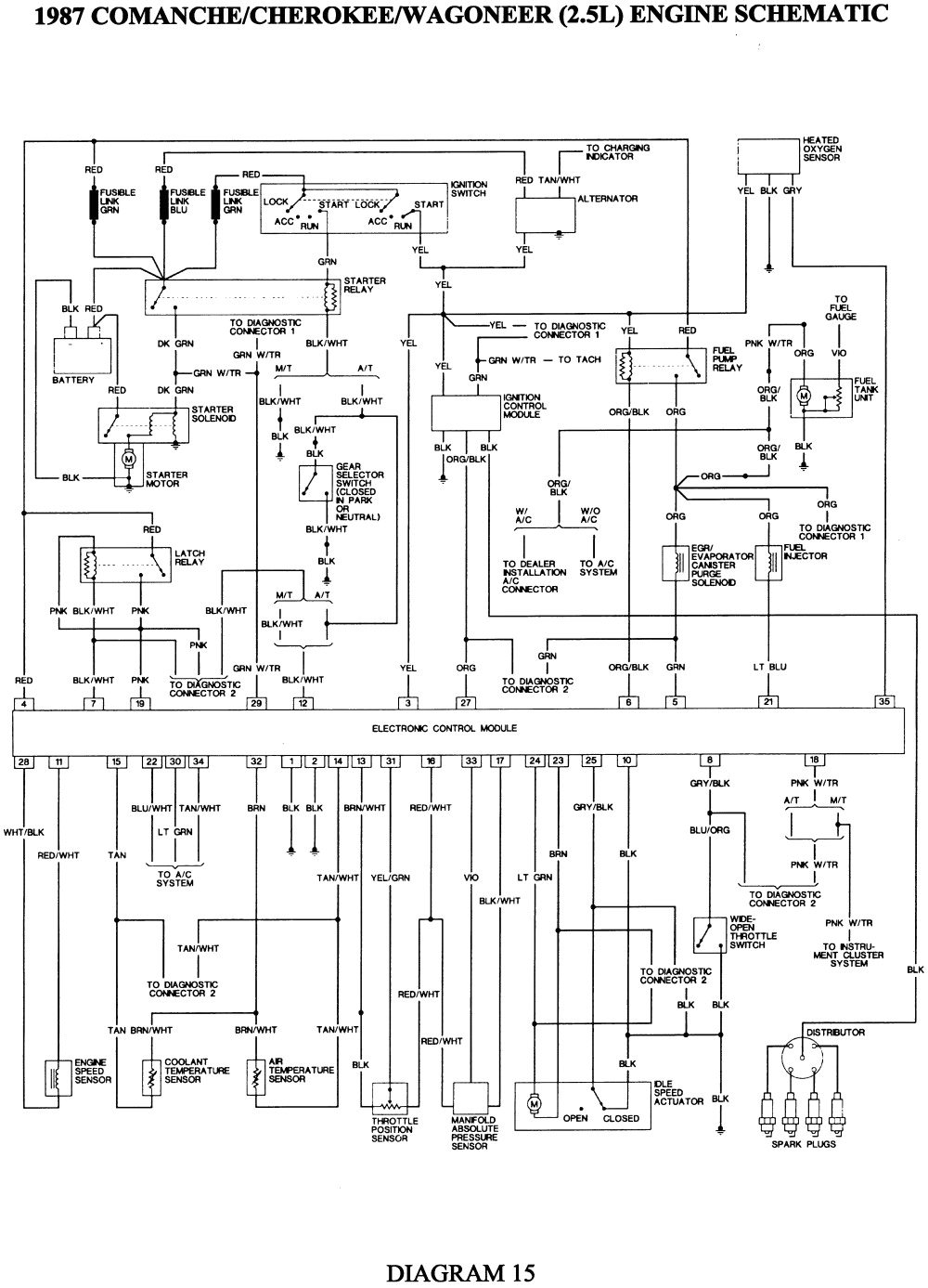
2002 jeep grand cherokee cooling fan wiring diagram
2002 jeep grand cherokee cooling fan schematic
A set of wiring diagrams may be required by the electrical inspection authority to take on connection of the domicile to the public electrical supply system.
Wiring diagrams will as well as insert panel schedules for circuit breaker panelboards, and riser diagrams for special services such as fire alarm or closed circuit television or additional special services.
You Might Also Like :
[gembloong_related_posts count=3]
2002 jeep grand cherokee cooling fan wiring diagram another picture:

2002 jeep grand cherokee cooling fan wiring diagram database
2002 jeep grand cherokee cooling fan wiring diagram database
2002 jeep grand cherokee cooling fan relay located

















