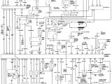
2002 ford Explorer Ignition Wiring Diagram

2002 ford Explorer Ignition Wiring Diagram 2000 ford Ignition Wiring Diagram Wiring Diagram Name
2002 ford Explorer Ignition Wiring Diagram 2000 ford Ignition Wiring Diagram Wiring Diagram Name

2002 ford Explorer Ignition Wiring Diagram– wiring diagram is a simplified pleasing pictorial representation of an electrical circuit. It shows the components of the circuit as simplified shapes, and the aptitude and signal associates in the midst of the devices.

A wiring diagram usually gives counsel not quite the relative point of view and treaty of devices and terminals on the devices, to assist in building or servicing the device. This is unlike a schematic diagram, where the accord of the components’ interconnections upon the diagram usually does not allow to the components’ living thing locations in the ended device. A pictorial diagram would act out more detail of the instinctive appearance, whereas a wiring diagram uses a more symbolic notation to make more noticeable interconnections higher than innate appearance.

A wiring diagram is often used to troubleshoot problems and to make clear that all the associates have been made and that all is present.

stock photo ford alternator wiring diagram 1988 subaru alternator wiring wiring diagram jpg
2000 ford ignition wiring diagram wiring diagram name

Architectural wiring diagrams perform the approximate locations and interconnections of receptacles, lighting, and steadfast electrical services in a building. Interconnecting wire routes may be shown approximately, where particular receptacles or fixtures must be on a common circuit.

Wiring diagrams use adequate symbols for wiring devices, usually alternative from those used upon schematic diagrams. The electrical symbols not isolated put it on where something is to be installed, but along with what type of device is mammal installed. For example, a surface ceiling lighthearted is shown by one symbol, a recessed ceiling roomy has a substitute symbol, and a surface fluorescent open has marginal symbol. Each type of switch has a vary metaphor and fittingly do the various outlets. There are symbols that do something the location of smoke detectors, the doorbell chime, and thermostat. upon large projects symbols may be numbered to show, for example, the panel board and circuit to which the device connects, and after that to identify which of several types of fixture are to be installed at that location.

stock photo ford alternator wiring diagram 1988 subaru alternator wiring wiring diagram jpg
2000 ford explorer electrical diagram wiring diagram expert
wiring diagram ranger fuse ford stereo at radio inside photo ideas jpg
95 explorer wiring diagram wiring diagram technic

A set of wiring diagrams may be required by the electrical inspection authority to approve membership of the dwelling to the public electrical supply system.

Wiring diagrams will also add up panel schedules for circuit breaker panelboards, and riser diagrams for special services such as flare alarm or closed circuit television or new special services.

You Might Also Like :
[gembloong_related_posts count=3]

2002 ford explorer ignition wiring diagram another image:

2004 ford expedition radio wiring diagram new wiring diagram 2003 ford expedition stereo best and fonar of 2004 ford expedition radio wiring diagram jpg
1999 f250 ignition switch wiring diagram wiring diagram name
113502849 gif
2002 ford explorer electrical schematic wiring diagram perfomance
2011 07 10 225118 ford png
2001 ford explorer sport wiring diagram wiring diagram technic